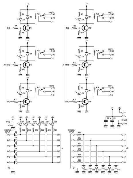
Simple relé Shield para Arduino

escudo para relé de control 6, 6 digital de entrada y 6 analógicas de entrada con Arduino Duemilanove, Arduino UNO. Las entradas digitales y salidas de relé están equipados con un LED que indica el estado.
El esquema del circuito es muy simple:

Artículos Relacionados

Muy barato o Simple WiFi Shield para Arduino y microprocesadores

Muy barato o Simple WiFi Shield para Arduino y microprocesadores

Actualización: 19 de mayo de 201614 Rev de este proyecto revisa las bibliotecas y código para trabajar con ESP8266.com IDE plugin V2.2Actualización: 17 de diciembre de 201511 Rev de este proyecto limpia otras conexiones intentadas si ya está conectad
Salida de escudo Simple DIY LED para Arduino UNO R3

Salida de escudo Simple DIY LED para Arduino UNO R3

Arduino uno no utiliza sin escudo externo. En este tutorial podemos chared cómo hacer Sheid para arduino usando 4 unidades LED.Paso 1: Salida esquema de pantalla de LED para arduino Este esquema explica cómo se conectod al pin digital a arduino uno R
Un más barato ESP8266 WiFi Shield para Arduino y otros micros

Un más barato ESP8266 WiFi Shield para Arduino y otros micros

Actualización: 19 de mayo de 201614 Rev de este proyecto revisa las bibliotecas y código para trabajar con ESP8266.com IDE plugin V2.2Actualización: 17 de diciembre de 210511 Rev de este proyecto limpia otras conexiones intentadas si ya está conectad
Por qué la V1 de RS485 Shield para Arduino no puede utilizarse para DMX512 aplicación

Por qué la V1 de RS485 Shield para Arduino no puede utilizarse para DMX512 aplicación

nos encontramos con problemas cuando usamos LinkSprite RS485 escudo Shield para Arduino para aplicaciones de alta velocidad, tales como la comunicación de DMX512.Paso 1: Análisis de circuito Arriba se muestra el esquema del escudo RS485.Las respuesta
RGB LCD Shield para Arduino 65K color KIT V2 Asamblea guía

RGB LCD Shield para Arduino 65K color KIT V2 Asamblea guía

protector de la pantalla RGB para Arduino 65K color KIT incluye todos los componentes para armar una lista para usar protector de pantalla LCD para Arduino y placas compatibles como Freeduino.(visita http://store.nkcelectronics.com/rgb-lcd-shield-for
Memoria tarjeta de Shield para Arduino UNO

Memoria tarjeta de Shield para Arduino UNO

este tipo de escudo es originalmente costos BDT hasta 4000 (en Bangladesh), que es alrededor de 39 USD (sin gastos de envío). Pero de esta forma usted puede hacer su propio escudo de tarjeta microSD sólo en 120 BDT (1,6 dólares). No sorprende, ya que
ATtiny programación Shield para Arduino

ATtiny programación Shield para Arduino

este circuito poco sienta bien ontop de una placa Arduino y te permite conectar rápidamente un ATtiny chip de programación usando la Arduino "lengua" y IDE para escribir el código y la placa Arduino como programador ISP para cargar el código en
Fácil y barato MP3 Shield para Arduino

Fácil y barato MP3 Shield para Arduino

Este es un seguimiento a un Instructable anterior para la fijación de las entrañas de un jugador de MP3 del clip barato a un Arduino.El Instuctable anterior mostró como usar el Arduino para controlar todas las funciones del reproductor MP3: aumento d
¿DIY Apple remotos Shield para Arduino

¿DIY Apple remotos Shield para Arduino

que siempre quisiste hacer un apple remote? ¿O tal vez una de sus creaciones de arduino tiene poder control de iTunes en tu Mac, iPod o Apple TV? Ahora usted puede!Un tiempo atrás estaba trabajando en un proyecto que quería ser capaz de empezar la mú
Linux, WiFi, Ethernet, USB Shield para Arduino

Linux, WiFi, Ethernet, USB Shield para Arduino

Yun el escudo es un escudo de Arduino que simplemente "girará" Arduino (Leonardo, ONU, MEGA2560 etc) igualmente un "Arduino Yun". Proporciona un sistema Linux, WiFi, Ethernet en la placa de Arduino para la conectividad. También tiene u
¿Síntesis de discurso Shield para Arduino

¿Síntesis de discurso Shield para Arduino

al usar el Arduino para hacer robots o proyectos interactivos, es agradable que hablar? Ahora es un escudo basado en el chip de síntesis de discurso iFLYTEK XFS505 para ayudar a resolver el problema. Arduino puede comunicarse con el módulo de síntesi
DIY Kit de Blue LCD1602 ultrasónico módulo DHT11 Shield para Arduino

DIY Kit de Blue LCD1602 ultrasónico módulo DHT11 Shield para Arduino

LCD1602 módulo ultrasónico DHT11 Shield es compatible con el arduino mega R3. Puede utilizar LCD1602 Mostrar distancia y valor de la humedad de temperatura al mismo tiempo.LCD1602:Pantalla: 16 x 2 caracteresLED luz de fondo: azulEsquema de módulo tam
Domótica - cómo agregar relés a Arduino

Domótica - cómo agregar relés a Arduino

Cómo seleccionar relés – todo sobre la energía.Cuando usted está seleccionando un relé para conectar a tu Arduino necesita considerara) la energía (voltaje y corriente) de lo que quiere encender y apagar yb) la energía (voltaje y corriente) necesaria
Escudo de ECG para Arduino

Escudo de ECG para Arduino

Recientemente hice shield para arduino que puede medir ECG, respiración, finalmente después de algunos cambios en el PCB y el código, EEG y EMG. Gran ventaja de este escudo es la posibilidad de hacer fácilmente en casa. El escudo está equipado con pa