Paso 1: Hacer tu tarea



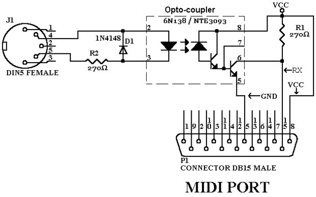
Mi local Fry Electronics no llevar un 6N138, pero tenían el equivalente NTE que encontré fue un NTE3093. Tenía resistencias en casa, pero me pareció fuera de 220 ohmios, así que fui con 270 ohmios, que parece funcionar igual de bien.
No me importaba sobre el envío de señales MIDI de mi PC, así que salí de esa parte de mi diseño. Quería que todas las partes para que quepa dentro de una carcasa de DB15.
Referencias:
http://Web.singnet.com.SG/~lau0cy/SB.htm
http://www.nteinc.com/specs/3000to3099/PDF/nte3093.pdf
http://nte01.nteinc.com/nte/NTExRefSemiProd.nsf/$ $buscar? OpenForm (AbrirFormulario)			













