Simple 9 voltios Batería Flash luz (1 / 2 paso)

Paso 1: El circuito

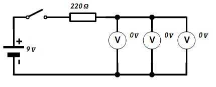
Por debajo (o arriba, no estoy seguro donde se enrolla para arriba!) es el circuito utilizado. Es bastante simple y era sacudido más o menos juntos en eChalk.

Artículos Relacionados

LDRs + Arduino = un simple robot que puede detectar la luz!

LDRs + Arduino = un simple robot que puede detectar la luz!

Un LDR es una resistencia dependiente de luz y tiene muchos usos, por ejemplo, un photocel que puede encender las luces de su casa cuando su oscureciendo fuera.Una forma interesante de entender cómo funciona es leer sus valores con un Arduino.Por lo
Cómo obtener gratis 9 voltios baterías (legalmente)

Cómo obtener gratis 9 voltios baterías (legalmente)

HiEn este instructable simple voy a mostrarte cómo obtener gratis 9 voltios baterías legalmente. El proceso te estoy diciendo acerca de han hecho solamente dos veces, pero ya han conseguido 27 pilas gratis! y sólo toma unos pocos minutos y es una gra
Pequeño solar recargable flash luz led con ningún panel solar/de la célula. (usa el led para cargar).

Pequeño solar recargable flash luz led con ningún panel solar/de la célula. (usa el led para cargar).

Vemos leds cada donde. ¿Qué? se enciende para arriba. pues sí es su principal objetivo, pero no mucha gente sabe que si se los expone a la luz solar puedeproducen una pequeña cantidad de voltaje. Así que una manera puede actuar como un panel solar. L
100W LED antorcha Flash luz - impresión de diseño/3D

100W LED antorcha Flash luz - impresión de diseño/3D

Primero me topé con el concepto de hacer una antorcha muy potente (o luz de flash a nuestros primos americanos) de un YouTuber Matt Perks aka DIY. Propuso volver a un disipador de CPU y un marco de aluminio personalizados para hacer una mano increíbl
Canon batería interna luz de anillo Hack!

Canon batería interna luz de anillo Hack!

Aquí está mi nueva y mejorada versión de la luz del anillo de Canon Hack! Un tiempo atrás hice una versión con baterías externas (ya sea 3 AA o AAA o una batería de teléfono celular). Mientras las cámaras estaban todavía impresionantes, necesaria la
DIY bronce caballo lámpara colocar 3.7 voltios Batería accionado LED

DIY bronce caballo lámpara colocar 3.7 voltios Batería accionado LED

sí adivinaron derecha otra lámpara de LED. Este excelente lámpara de cobre amarillo hace una edición buena para mi colección. Y esto se puede hacer con cualquier otra luz si decide construir una bombilla LED personalizada para tu lámpara GO GREEN! Sa
Cómo hacer una cúpula simple herramienta para la pintura de luz

Cómo hacer una cúpula simple herramienta para la pintura de luz

Cúpulas. Son hermosas. ¿Quieres saber cómo se hacen, y cómo usted puede hacer su propia fácilmente?Todo lo que necesitas es una herramienta simple de la cúpula. Consiste en una forma circular con las luces alrededor de él y un árbol igual en longitud
Antorcha simple - hecha de batería reciclada

Antorcha simple - hecha de batería reciclada

utilicé un LED rojo para este instructable, porque es más fácil ver que una de claro y no tenía a un pequeño claro uno a la mano. Si uno de estos haces siguiendo las instrucciones, será mucho más brillante que el de la foto, sólo más fácil de ver qué
Pinza batería Powered luz de teclado

Pinza batería Powered luz de teclado

aquí es cómo hacer una luz de teclado simple que usted puede cortar en cualquier ordenador portátil! Disfrutar, de un voto por favor para mí!Paso 1: Las partes Se necesita lo siguiente. 1 x pila de 9v 1 x grande con cable LED 1 x 9v batería 1 x pinza
TIC TAC FLASH luz (energía solar)

TIC TAC FLASH luz (energía solar)

Durante la temporada de lluvias tenemos cortes de energía mucho tiempo. Por lo tanto, se trata de una pequeña linterna hecha con materiales reutilizados.Funciona con energía solar y es muy barato y fácil de hacer.Paso 1: Materiales necesarios. MATERI
Bomba simple 12 voltios

Bomba simple 12 voltios

Un jarro de agua bien usada obtiene una nueva vida después de la falta de la boquilla. La jarra hizo bien para enjuagar platos, manos y cualquier otra cosa probablemente 5 años cuando van a acampar y en viajes por carretera. La boquilla dejó de ser h
Simple dos transistor Dual LED flasher

Simple dos transistor Dual LED flasher

Hola chicos esta es mi primera instrucción. Hacer el dual LED flasher usando dos 9015 transistor pnpPaso 1: Componentes que necesarios * Transistores - 2 (9015 pnp)* resistencias - 4 (100k de 470 ohm-2,-2)* condensadores - 2 (10uf)* LED - 2* 6V DC al
Vuelva a colocar 6 pilas D celulares con 1 9 voltios batería en un sujetador para emergencias

Vuelva a colocar 6 pilas D celulares con 1 9 voltios batería en un sujetador para emergencias

Hola, mi nombre es Simon y siempre estoy tratando de solucionar los problemas alrededor de la casa! Por ejemplo en este instructables quería una manera de usar una pila de nueve voltios para alimentar un estereo que anteriormente requería baterías 6D
Simple, barato y profesional busca acuario luz actualizar

Simple, barato y profesional busca acuario luz actualizar

estoy seguro de que muchos de ustedes son como yo y comprar un kit de depósito por cualquier razón. Mi motivo fue porque estoy en la Universidad y no tengo 1 millón de dólares para caer en un tanque. Co PET tuvo una venta en sus estuches de 20 galone