Simon dice Narnia armario juego

este año en el tronco O tratar en mi iglesia hizo que el juego "Simon dice Narnia". Este es el juego electrónico que Simon por Hasbro construido en un armario de madera como en la película las crónicas de Narnia "El León, la bruja y el armario" de C.S. Lewis.

Artículos Relacionados

Simon dice juego con controlador único "twister"

Simon dice juego con controlador único "twister"

hice este proyecto para un proyecto de clase Final en mi clase de tecnologías de fabricación de este pasado semestre. El objetivo de este proyecto es hacer un control pad de tablero del twister para cualquier juego makey makey. Usé mi tablero de cont
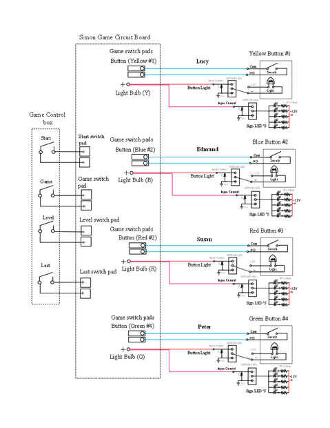
Arduino - Simple Simon dice juego

Arduino - Simple Simon dice juego

en este instructable, le mostraré cómo hacer un juego simple "Simon dice" con un Arduino. no es una simple pero podemos obtener un beneficio psicológico. Tengo mala memoria para recordar algo rápido o una cosas nuevas. Así que este proyecto real
Mejorado el código 'Simon dice'

Mejorado el código 'Simon dice'

Un proyecto actualizado de Simple Simon.Específicamente, más fácil trabajar con la aplicación de software.Paso 1: Cómo empezarEmpecé con el instructable en 'Simple Simon-dice-el juego'Se refieren a él para implementación de hardware general.Como ya l
Simon dice 6 leds

Simon dice 6 leds

En este instructable mostraré cómo poner junto que un simon dice juego con 6 leds utilizando un arduino. Comencé este proyecto como un proyecto escolar a principios de este año (2014) y ahora he terminado.Es un juego muy simple: comienza con esa volu
Arduino Simon dice juego de

Arduino Simon dice juego de

Este es un divertido proyecto que hice con mis hijos durante las vacaciones.Para este juego la casa decidí usar una vieja caja de iPhone 5c. Lo tenía justo ahí y parecía del tamaño adecuado.Lista de componentes:(Nota: todos los enlaces son productos
Simon Shield - enchufe y juego um,

Simon Shield - enchufe y juego um,

me he convertido mi proyecto de Simon en un escudo. Software y esquemas son los mismos. El resto es sólo mala ejecución :) Estoy seguro de que usted puede hacer mejor (y de diversión).
Bastante Simple Simon - la evolución de un juego de Arduino

Bastante Simple Simon - la evolución de un juego de Arduino

Aviso importante: versión Final (es decir, relevante) es el último paso de este instructable.Si usted quiere construir a un Simón, que es la versión recomendada.El resto de la serie de pasos esta la evolución de un juego de escueto para LED 13 y seri
Simón dice con LinkIT uno

Simón dice con LinkIT uno

Vamos a ir a través de un proyecto de principiante clásico que combina diversión, circuitos y código: Simon Says. Construcción de su propio juego de Simon Says puede ser una excelente forma de sumergirse rápidamente en el impresionante mundo de ocupa
Arduino Simon Says

Arduino Simon Says

en este Instructable te voy a mostrar cómo hacer un juego muy simple "Simon dice" usando un regulador Micro de Arduino. Primero comenzó este proyecto en 2010 y no recogió otra vez desde entonces. Mucho ha cambiado en el mundo de Arduino desde al
Arduino Powered RGB humor lámpara además Simon

Arduino Powered RGB humor lámpara además Simon

esto es básicamente una lámpara de estado de ánimo de arduino powered RGB y el simon dice juego, dos en uno.Modo de empleo: El dispositivo se inicia con el programa de humor de RGB lámpara por defecto, al pulsar cualquiera de las cuatro teclas en la
Total Recall - Arduino Simon Says en esteroides!

Total Recall - Arduino Simon Says en esteroides!

Total Recall es un Simon juego para Arduino. Arduino básico Simon Game consta de 4 botones, 4 LEDs, un Arduino, un código y tal vez un altavoz y efectos de sonido. Total Recall toma las cosas un paso más allá añadiendo una pantalla LCD y ofrece 1 y j
Hacer cualquier placa y tarjeta de juego jugable en el navegador en 5 minutos

Hacer cualquier placa y tarjeta de juego jugable en el navegador en 5 minutos

Si quieres jugar tu propio juego de mesa, o algún juego que es mucho tiempo fuera de la impresión y no tiene una versión en línea, entonces esta instructable le mostrará cómo hacerlo usted mismo en una brisa y empezar a jugar con amigos y familia en
Guías sobre cómo utilizar r4isdhc rts 3ds para jugar juegos de gba en NDS/XL

Guías sobre cómo utilizar r4isdhc rts 3ds para jugar juegos de gba en NDS/XL

R4isdhc rts 3ds es la flashcart más popular en el mercado que tiene muchas características llamativas, como por ejemplo con una actualización periódica, compatibilidad de juego superior y así sucesivamente. Puede trabajar muy bien en consola ds y 3ds
Circuito de camisa: DIY protoboard para circuitos

Circuito de camisa: DIY protoboard para circuitos

Circuito de camisa es suave usable protoboard con los componentes de circuito DIY modulares que pueden trabarse en la camiseta por el usuario. La motivación detrás de circuito de camisa es el paradigma de la 'caja negra' en que a menudo se entrega Ed