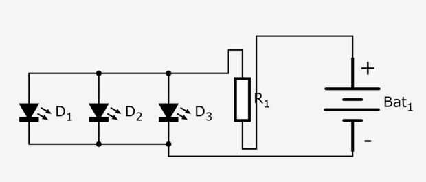
Paso 2: El circuito

















En primer lugar tienes que cortar el perfboard del circuito. Después del corte Coloque todos los componentes para ver cómo debe soldarlos. Cuando has decidido cómo colocar ellos empiezan a soldarlos. Luego corte las patas de los componentes.
Cortar un trozo de alambre y al final de la tira. Soldadura en el lado negativo del circuito y también suelde el cable negativo de la abrazadera de la batería al interruptor. Entonces le solde el cable positivo del clip de la batería hacia el lado positivo del circuito.
Poner la batería y prueba.