Paso 4: Sensor de Co2


Más tarde encontré que la fuente de alimentación con corría era defectuosa y el elemento calefactor del sensor de Co2 fue funcionando en overdrive.
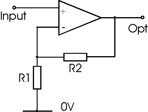
Básicamente el circuito tiene el sensor conectado a un amplificador operacional de no invertir con aproximadamente una ganancia de diez, y la resistencia es suministrada por un regulador de voltaje de 6 voltios. La configuración se muestra en la hoja de datos adjunta con patillas del sensor que es auto explicativo, lo que no es auto explicativo es el gráfico en la hoja de datos que da una imagen totalmente inacurate de la esperada salida del sensor.
Hacer una prueba colocando un multímetro en el sensor y respira en él, que debe cambiar de lectura.