Paso 1: Descripción de diseño



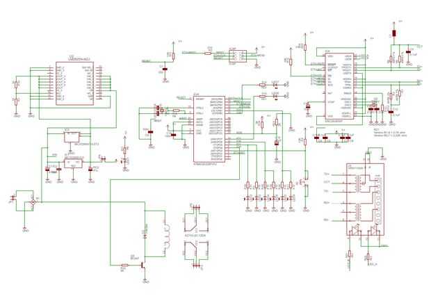
El esquema del servidor Web se muestra en la fotografía. Se pueden ver tres canales, cada uno controlando un par de luces LED. Aquí se significa de LED en formato ancho más - pueden ser LED estándar, pero también podría ser LED, que son piezas de optoacoplador utilizado para el relé de control como en la foto de arriba. También puede ser combinación de LED que indica si se activa el relé y el optoacoplador. En el diagrama esquemático se pueden ver también ambos "estado" / indicadores de "modo" LED. Utilizando la codificación binaria que podría demostrar por ejemplo que el modo de cuatro disponible es activo en el momento o para dar alguna información útil. Mirando el esquema se aprecia también que los circuitos de suministro de energía consisten en tres chips de potencia, que parece que trabajan juntos en paralelo. Esto no es cierto). Este enfoque de esquemas de dibujo proporciona más lejos, al diseñar el PCB, para colocar huellas diferentes allí tres de estos chips y finalmente para la soldadura sólo uno, pero con una gran variedad de alternativas. El PCB actual compatible con reguladores lineales en paquetes SOT223 y TO263, como bien nacional semiconductores (TI) "simple paginador" regulador LM2825N (ambas versiones: ajustable o fija voltaje 3.3V). Usando fuente de alimentación conmutada en este caso es mejor solución debido a la mayor eficiencia de energía comparando con el lineal. Las virutas del ENC28J60 está consumiendo corriente relativamente alta y la pérdida de potencia en el regulador lineal puede ser alta. Yo he soldado LM2825N-3.3. (La fuente debe guardarse en estos límites, porque el ENC28J60 puede ser quemado en 5V.)
Los archivos "Águila" diseño están disponibles para su descarga. Puede ser utilizados y modificados libremente sin pedir permiso. Desde allí puede ser extraído de la lista. No voy a dar aquí la LDM todo. Voy a describir solamente las partes más específicas.
Como dije: el microcontrolador utilizado es el ATmega328 en DIP28 paquete. Se puede utilizar también la versión de baja potencia ATmega328P. Aquí se debe tener cuidado con las firmas del chip utilizadas por el programador de Arduino - para ambos chips difieren. Cómo resolver el problema se puede ver aquí. El chip ETH es ENC28J60 en paquete de la inmersión. En el PCB hay lugar donde un relé Zettler AZ733-2 C-12DE puede soldarse, pero es opcional. La parte más exótica en todo el diseño es la clavija Ethernet con imanes integrados "HanRun" HR911105A. Los dispositivos pasivos son principalmente SMD. Esto podría ser problema para personas que no tienen experiencia con soldadura de estos dispositivos, pero en este sitio se puede encontrar un montón de instrucciones acerca de esto.













