Sensor infrarrojo tierra u objeto para la navegación del robot (2 / 3 paso)

Paso 2: sensor de difficoult más

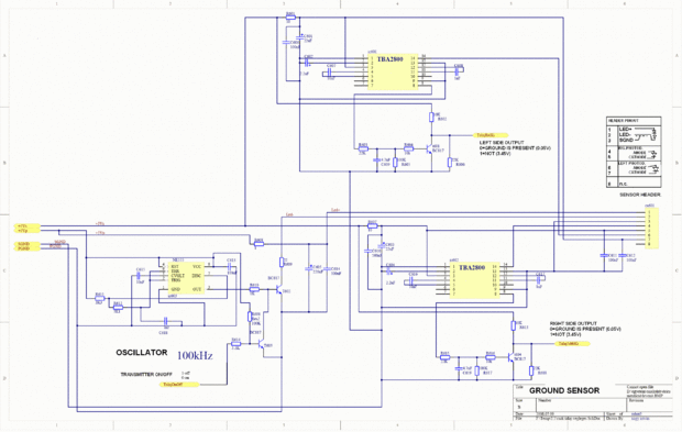
usé este sensor en mi último robot. Esto utiliza un receptor de control remoto IC, el TBA2800. más fiable que el anterior.
como un sensor, he utilizado el BPW24R de Vishay semiconductores y la SFH481 IR-LED de OSRAM.

Artículos Relacionados

Con Sensor infrarrojo para crear objetos de arte

Con Sensor infrarrojo para crear objetos de arte

(^_________^")Quiero compartir uno de cómo usé mi simple sensor de infrarrojos (IR) para mi obra. Este arte llamado 'Cerca de ti'. Es un arte interactivo que tiene casi todo exactamente igual que un ventilador normal pero el ventilador. Jajaja :DSe m
Cómo utilizar el Sensor infrarrojo Sharp (GP2Y0A41SK0F) - Tutorial de Arduino

Cómo utilizar el Sensor infrarrojo Sharp (GP2Y0A41SK0F) - Tutorial de Arduino

En este tutorial usaremos el sensor de infrarrojos Sharp (GP2Y0A41SK0F) para medir la distancia de un objeto.Sensores IR trabajar mediante el uso de un sensor de luz específico para detectar un seleccionar longitud de onda de luz en el espectro infra
Sistema de Sensor de Gas Intel Edison para detectar biogás / GLP salida

Sistema de Sensor de Gas Intel Edison para detectar biogás / GLP salida

Yo soy uno de esos 300 + instructables miembros de la comunidad que recibieron la placa Intel para Edison y el kit de desarrollo de Intel IoT de especialidad ofrecidos por instructables bajo el tema medio ambiente y agricultura. Uno de la propuesta p
UGV (vehículo de tierra no tripulados) para la operación de rescate

UGV (vehículo de tierra no tripulados) para la operación de rescate

Queridos amigos,Vamos a hablar un poco sobre la operación de rescate, en la operación de rescate del equipo de rescate va allí y busca víctimas y rescatarlos. Operación de rescate es bastante peligroso para el equipo de rescate, así como perros de re
Sensor de pulso LED (PPG) para Arduino

Sensor de pulso LED (PPG) para Arduino

Dentro de este Instructable te mostraré, cómo implementar un simple sensor PPG (photoplethysmogram) para arduino. Este dispositivo utiliza luz infrarroja para medir pulso usted. Puede conocer esta técnica de los sensores del pulso de la yema del dedo
Varios pasos para aumentar la velocidad del ordenador

Varios pasos para aumentar la velocidad del ordenador

versión 2.0! Ha ejecutado a la guía completa a través del corrector ortográfico de Microsoft Word y atravesó el Instructable toda comprobación de errores. Debería ser mucho más fácil leer y tamizar a través de la información. Usted puede notar alguno
Pasos para dar tu personalidad de Robot

Pasos para dar tu personalidad de Robot

Trabajar con robots es un divertido, loco, frustrante aventura. Desde el más simple nanobot vibrante a mecha-guerreros de tamaño gigante, cada robot parece tener su propia personalidad, algún rasgo peculiar que puede distinguir incluso de modelos idé
Personalizado de martillo para el día del padre

Personalizado de martillo para el día del padre

Hacer a tu padre un regalo útil que él atesorará! Todo el mundo puede usar otro martillo, especialmente si se ha personalizado con un sentimiento sincero.Este proyecto rápido utiliza un cortador láser para grabar un dicho personal en un mango de made
Arte, acuarela o trabajos en papel para el envío del embalaje

Arte, acuarela o trabajos en papel para el envío del embalaje

obras de arte del embalaje en papel para el tubo de envío (en 16 pasos)En ocasiones, no hay tiempo (o no está en el presupuesto) para tener una envasadora profesional arte vienen a mi estudio para preparar una obra de arte para el envío.La mayoría de
Hacer un 3R (reducir, reutilizar, reciclar) campaña para la oficina (con un robot RC y junkbots)

Hacer un 3R (reducir, reutilizar, reciclar) campaña para la oficina (con un robot RC y junkbots)

por lo menos en Colombia, cuando se trabaja en una empresa, siempre verá el mismo tipo de campañas ambientales: no tirar basura al suelo, tiro la basura a la basura puede, separar la basura antes de desecharla, imprimir el documento de ambos lados, l
3D imprimir un molde caso para hacer las piezas del molde duplicados

3D imprimir un molde caso para hacer las piezas del molde duplicados

Este es un tutorial avanzado de fabricación del molde. Si usted necesita hacer un molde múltiple, o necesita hacer múltiplos del mismo molde, puede que desee considerar lo que se conoce como un molde del caso. Es decir, un molde-de-un-molde-parte. Es
Edison de Intel basado en monitor de sonido para la automatización del hogar!

Edison de Intel basado en monitor de sonido para la automatización del hogar!

Hola todo el mundo!Soy Geeve George un fabricante con orgullo de la INDIA! Empecé a hacer en la edad de 10 y mi afán por hacer todavía continúa como estoy fascinado por las infinitas posibilidades y oportunidades que la tecnología ofrece.Sombrero! es
API para una Web controlada por Robot

API para una Web controlada por Robot

"Estos materiales y la información contenida en este instructivo son proporcionan por los estudiantes matriculados en el Software de lugares (www.softwareofplaces.com) clase en la Universidad PUC-Rio. El contenido representado aquí es el proyecto fin
Cómo utilizar una sonda de alimentación 200 vatios CO2 láser para medir la potencia del láser CO2

Cómo utilizar una sonda de alimentación 200 vatios CO2 láser para medir la potencia del láser CO2

este video muestra cómo utilizar la sonda de alimentación Mahoney CO2 laser.  La sonda de alimentación de CO2 láser es un dispositivo comúnmente utilizado y necesario para:1. Mida laser de potencia de salida para la configuración del láser con el tie