Paso 1: Construir el circuito



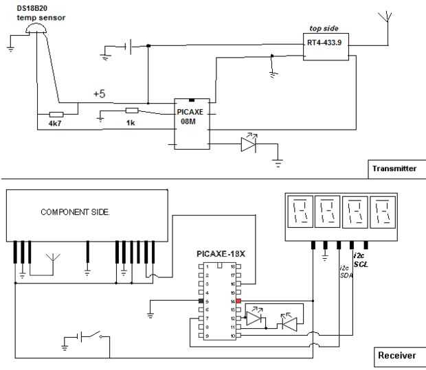
El circuito del transmisor se muestra en la parte superior, realmente no usar 5v, en vez de eso funcionó fuera un 3.5v batería del botón. La batería de botón fue conectada a una célula solar; un módulo que tiró de una antorcha solar barata. He tenido el circuito transmisor en mi repisa de la ventana, felizmente transmitir durante una semana sin problemas de alimentación.
El Transmisor/receptor de AM había comprado hace años de Maplin.
A continuación se muestra el circuito del receptor, es muy simple. Patillas 11 y 12 en el chip es realmente un bi-color LED, yo no estaba seguro que la mejor manera de dibujar.
El mostrador buscando objetos en la parte superior derecha hace mostrando un número fácil el trabajo. Necesitaba un chip que podría utilizar el I2C, razón por la cual estoy usando un Picaxe18X. El módulo de 7 segmentos fue comprado fuera de ebay por unos 15, pero lo venden en su Página Web
No he demostrado la cabecera Programación, en parte para mantenerlo simple y limpia y en parte porque estaba usando un circuito separado para programar el chip.













