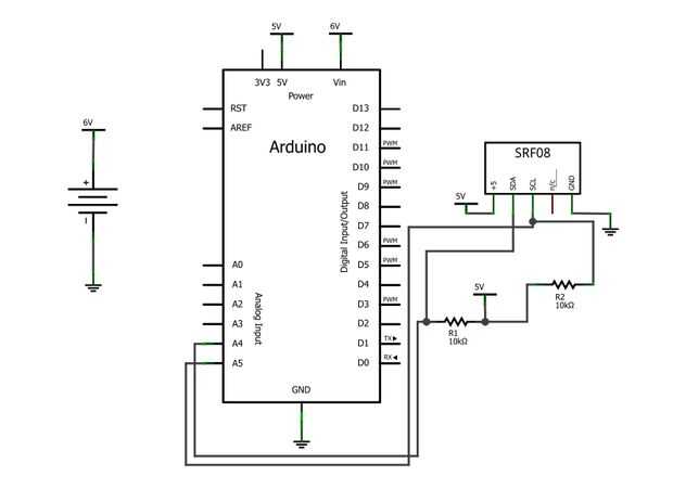
Seguidor de línea PT Bot (2 / 3 paso)

Paso 2: esquemas

Artículos Relacionados

Seguidor de línea PID Atmega328P

Seguidor de línea PID Atmega328P

INTRODUCCIÓNHola chicos soy de 3er año Universidad estudiante de Lovely Professional University, cursando ingeniería electrónica y comunicación de la India.Canal de Youtube::: https://www.youtube.com/channel/UC6ck0xanIUl14OorqW06VZAPerfil en Facebook
Sensor seguidor de línea bricolaje matriz

Sensor seguidor de línea bricolaje matriz

En este Instructable usted aprenderá cómo hacer su propio seguidor de línea sensor de matriz!!!!Consta de dos partes:La placa de IR LED.La Junta del Op-Amp.La placa de IR LED consiste en una matriz de 5 pares de LEDs IR y los fotodiodos. Lo limpio de
SIMPLE ROBOT seguidor de línea (solo Sensor)

SIMPLE ROBOT seguidor de línea (solo Sensor)

Hola chicos en este tutorial vamos a ver cómo hacer un robot seguidor de línea simple con solo sensor infra-rojo.Paso 1: Introducción:Generalmente para los principiantes en robótica trata de tu primer robot para jugar ya que este robot tiene algunas
Seguidor de línea con launchpad msp430g2

Seguidor de línea con launchpad msp430g2

En este instructable yo voy escribiendo sobre robot seguidor de línea. Este post cubre cómo funciona un sensor de luz y cómo hacer su propio sensor de luz. Todas las críticas son bienvenidas.IntroducciónUn robot seguidor de línea es como su nombre in
Robot seguidor de línea

Robot seguidor de línea

este es mi segundo Robot seguidor de línea y como su nombre sugiere, es un robot cuyo objetivo es siguiendo una línea. Este robot se puede utilizar en concursos donde un robot debe seguir un recorrido delimitado por una línea negra sobre un fondo bla
Seguidor de línea de alto rendimiento Robot

Seguidor de línea de alto rendimiento Robot

¡ Hola! Voy a intentar presentarle el mundo de los robots seguidor de línea. Muchos de nosotros han escuchado acerca de este tipo de robots raros, que existen en una amplia variedad de versiones de las muy lentas y pesadas, que generalmente puede tra
Actualización de seguidor de línea analógica para Arduino con Attiny85

Actualización de seguidor de línea analógica para Arduino con Attiny85

ResumenEn este Instructable le mostrará cómo actualizar un análogo barato seguidor de línea en un seguidor de línea Arduino inteligente sustituyendo el LM393 comparador IC por un inteligente Attiny85 y Arduino sketch.IntroducciónRobot seguidor de lín
Mapa con cartulina paso a desnivel para robot seguidor de línea

Mapa con cartulina paso a desnivel para robot seguidor de línea

Con el fin de divertirse un poco más con mi Makeblock mBot en modo de seguidor de línea, he creado este mapa personalizado con un puente de cartón.Realmente es bastante simple hacer un mapa para un robot seguidor de línea. Lo que te voy a mostrar aqu
LINUSBot - Robot seguidor de línea - con control PID

LINUSBot - Robot seguidor de línea - con control PID

LINUSBot - Robot seguidor de línea - con control PIDLINUSBot - Control PIDSe trata de un complemento de la primera "instructables" de LINUSBot (línea que sigue el robot).Ahora el robot tiene control de movimiento realizado por un controlador PID
Seguidor de línea sin microcontrolador

Seguidor de línea sin microcontrolador

Es una máquina que sigue una línea, una línea negra sobre la superficie blanca o viceversa. Para los principiantes suele ser su primer robot para jugar con. En los siguientes pasos totalmente entiendes el concepto de seguidor de línea.Ahora vamos a c
Seguidor de línea 2pi

Seguidor de línea 2pi

Recientemente construido mi primer robot y pensé que compartir los pasos y resultados. Es un simple seguidor de línea construido sobre la plataforma PlastoBot de Gordon McComb de Robot Builder Bonanza y conducido por un chip ATmega328 conectado a un
Hacer seguidor de línea simple con erulduino

Hacer seguidor de línea simple con erulduino

por primera vez en el pasado fin de semana hice un simple robot velocista usando Arduino similar al mío le dan un nombre con erulduino... pido disculpas por este temporal no puede explicar pasos trabajando en este robot obligado completan porque much
Robot de seguidor de línea autónomo

Robot de seguidor de línea autónomo

esto es un seguidor de línea que había edificado en el primer año de mi licenciatura de ingeniería. El robot utiliza arduino es el cerebro y es capaz de seguir la línea negra sobre un blanco superficial, es decir, es un seguidor de línea negra con ló
Seguidor de línea más simple

Seguidor de línea más simple

Se trata de un seguidor de línea fácil...Que se basa en esquemas simples sólosimplemente seguir algunas instrucciones y es muy simple...Paso 1: Fabricación de PCB La semana pasada por fin tengo tiempo para hacer un poco de trabajo. Hice mi propio PCB