Router CNC Nylon (4 / 6 paso)

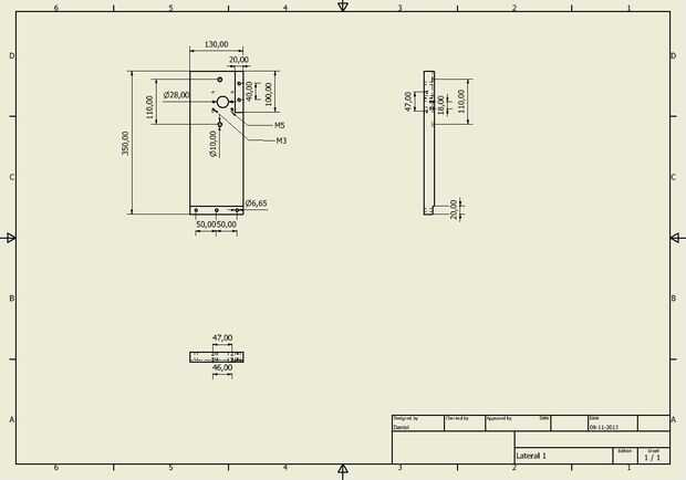
Paso 4: Dibujos técnicos

Estos son todos mis dibujos para la construcción de mi CNC de la máquina, con esto, puede reproducir cada parte mecánica, pero algunas partes se puede comprar en ebay barato, como cojinete linear, husillo y tuerca, 12 BK/BF. Todas las otras partes necesita una máquina miller para construir.

Artículos Relacionados

Hacer que una impresora 3D utilizando un router CNC - el "Deltabot"

Hacer que una impresora 3D utilizando un router CNC - el "Deltabot"

Otro título posible sería "Hacer una máquina 3D usando una máquina de 2D".Este Instructable es sobre el uso de un router CNC y diseños 2D para crear una impresora 3D de Delta.En mi investigación sobre impresoras 3D para aficionado he encontrado
Router CNC DIY

Router CNC DIY

Construir tu propio router CNC de 3 ejes es divertido y educativo. Este Instructable muestra todos los pasos que he seguido para hacer que mi Router CNC DIY. Este es el segundo hizo, después de aprender mucho de la construcción de la primera versión.
Soporte de almacenamiento de esquí Router CNC

Soporte de almacenamiento de esquí Router CNC

aquí es un soporte de almacenamiento de esquí que se puede construir de un cuarto hoja de madera contrachapada con un router con un plano de 1/4 o downcut poco.   Usé un router CNC para corte de mina.   Este soporte se puede montar y volver a montar
Establecimiento de límites suaves para tu Router CNC Industrial

Establecimiento de límites suaves para tu Router CNC Industrial

cuando usted está empezando, para asegurarse de que su Router CNC Industrial no se ejecuta en el lado de la mesa, puede ser una buena idea establecer límites en su software Mach 3 para la seguridad. En este post, voy a cómo establecer tus límites de
Construir un router CNC

Construir un router CNC

este instructable le mostrará cómo construí mi router CNC. Espero que usted puede dibujar algunos inspiración de mi generación y que este instructable te será de ayuda para sus proyectos de futuro. Este instructable muestra todos los pasos que atrave
Cómo utilizar un Router CNC en Techshop para construir un pecho 6 tablero simple de una hoja de 2 * 4 pie cuarto de media pulgada espesor contrachapado de abedul. Lo hice en Techshop! Digo Techshop!

Cómo utilizar un Router CNC en Techshop para construir un pecho 6 tablero simple de una hoja de 2 * 4 pie cuarto de media pulgada espesor contrachapado de abedul. Lo hice en Techshop! Digo Techshop!

Cómo utilizar un Router CNC para construir un pecho 6 tablero simple de una hoja de 2 * 4 pie cuarto de contrachapado de abedul de 1/2 pulgada. Lo hice en Techshop!Este es mi primer Instructable así que siéntase libre de dejar cualquier crítica const
Taburete de Bar de Router CNC

Taburete de Bar de Router CNC

En este Instructable encontrará:Configurar el Router CNCCargar un archivo DXF y generar el código G utilizará la máquina para cortar el tabureteCortar una barra de heces utilizando el ranurador del CNCPaso 1: Reunir los suministros Se necesita:Ranura
Carro tienda de madera hechos con Router CNC

Carro tienda de madera hechos con Router CNC

aquí es una tienda que es construido a partir de 3/4 y 1/2 pulgada de madera contrachapada.  Las partes de esta pieza se cortan en un router CNC.Decidí construir un conjunto de carros de la tienda de los restos de varios proyectos.   Los carros son m
Escritorio-armario hecho con Router CNC

Escritorio-armario hecho con Router CNC

otra pieza de mi mortaja ciega y método de construcción de tornillo de bolsillo.  Este gabinete es mesa altura (29") y es de tamaño para acomodar la mayoría de las impresoras.    Esto fue diseñado originalmente para uso de oficina como un armario sop
Funda de gafas de sol - superficie con Router CNC 3D

Funda de gafas de sol - superficie con Router CNC 3D

Este instructable le mostrará cómo hacer un caso de gafas de sol de arce con un Router CNC. Cuando yo era un niño mi padre solía tener un caso de lente muy bonito tallado en madera. Todavía recuerdo cómo maravillosamente hecho a mano y que lindo es t
Guitarra de router CNC

Guitarra de router CNC

¿Lo que siempre quiso hacer su propia guitarra? Lo único que necesita son:-Un router CNC-18mm MDF para los lados y la parte inferior del cuello.-5mm de madera contrachapadaLa guitarra consta de varias partes que encajan entre sí de forma lógica. Es m
Deslice el eje XY casera DIY molino Vertical mecanismo de Router CNC

Deslice el eje XY casera DIY molino Vertical mecanismo de Router CNC

Deslice el eje XY casera DIY molino Vertical mecanismo de Router CNCDeslice el eje XY para bricolaje Vertical molino Router con viajes Y 280 mm y 280 mm para X fácil hacerlo en casa con aluminio Aloy y lineal riel eje de 400 mm y 300 mmUsted puede ha
Banco de zapatos hechos con Router CNC y Laser

Banco de zapatos hechos con Router CNC y Laser

aquí es un banco de almacenamiento de información de zapato para una entrada.  Fue corte de 3/4, 1/2 y 1/8 pulgada de madera contrachapada con un router CNC y corte por láser.El objetivo de este diseño era un banco rígido, ligero.  También debe ser l
Tapa de madera construido con Router CNC de 3 ejes

Tapa de madera construido con Router CNC de 3 ejes

Saludos, compañero fabricante-persona! Hoy voy hacer tus sueños realidad! Esto es, por supuesto, suponiendo que tus sueños implican hacer tapas de madera con un CNC de 3 ejes. Esta tapa ser tallada tradicionalmente con un torno, que funcionaría muy b