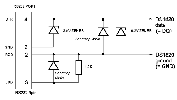
Paso 6: Mods puerto serie.




http://HackNMod.com/tag/Serial-Port/
http://HackADay.com/tag/Serial-Port/
http://martybugs.net/Electronics/tempsensor/
Detección de temperatura con linux: http://pihost.us/~stacato/digitemp/
Usted debe poder instalar digitemp desde el repositorio sin tener que descargar el software e instalarlo manualmente.
Basado en Debian:
$ sudo apt-get install digitemp
Basado en Fedora:
$ sudo yum instalar digitemp
-------------------------------------------------------
$ sudo apt-get digitemp
Una vez inststalled que se puede utilizar
$ sudo digitemp_DS9097u -s/dev/ttyUSB0 -w
"
Ahora, para leer las temperaturas. Tendrás el paquete de digitemp , que es envasado en Debian y otras distribuciones de Linux probablemente la mayoría. Una vez instalado, necesitará saber qué programa utilizar. Varios están disponibles para diferentes maestros de DS, pero en caso de LinkUSBi, querrá digitemp_DS9097U. Para empezar, compruebe que el autobús está funcionando correctamente a pie lo:
# digitemp_DS9097U -w -s /dev/ttyUSB0 DigiTemp v3.5.0 Copyright 1996-2007 by Brian C. Lane GNU Public License v2.0 - http://www.digitemp.com Turning off all DS2409 Couplers ... Devices on the Main LAN 28D1483C0200002F : DS18B20 Temperature Sensor 28E9393C020000C3 : DS18B20 Temperature Sensor 010EBED512000046 : DS2401/DS1990A Serial Number iButton
Esto muestra los dos sensores de temperatura DS18B20 (sondas de T-Sense), así como el DS2401 incrustado en mi LinkUSBi. (El DS2401 literalmente no hace más que devolver un número de serie. Todavía, como se ha mencionado antes de que sea útil verificar que el autobús funciona correctamente incluso si no hay otros dispositivos están conectados.)
A continuación, usted querrá crear un archivo de configuración. Decidí guardarla en /etc/digitemp.conf.
# digitemp_DS9097U -i -c /etc/digitemp.conf -s /dev/ttyUSB0 DigiTemp v3.5.0 Copyright 1996-2007 by Brian C. Lane GNU Public License v2.0 - http://www.digitemp.com Turning off all DS2409 Couplers ... Searching the 1-Wire LAN 28D1483C0200002F : DS18B20 Temperature Sensor 28E9393C020000C3 : DS18B20 Temperature Sensor ROM #0 : 28D1483C0200002F ROM #1 : 28E9393C020000C3 Wrote /etc/digitemp.conf
Usted se quedará con un archivo llamado /etc/digitemp.conf que se ve algo como esto:
TTY /dev/ttyUSB0 READ_TIME 1000 LOG_TYPE 1 LOG_FORMAT "%b %d %H:%M:%S Sensor %s C: %.2C F: %.2F" CNT_FORMAT "%b %d %H:%M:%S Sensor %s #%n %C" HUM_FORMAT "%b %d %H:%M:%S Sensor %s C: %.2C F: %.2F H: %h%%" SENSORS 2 ROM 0 0x28 0xD1 0x48 0x3C 0x02 0x00 0x00 0x2F ROM 1 0x28 0xE9 0x39 0x3C 0x02 0x00 0x00 0xC3
Puede cambiar las asignaciones de ROM como te gustaría. 1-wire se refiere a los dispositivos por su ID de 64 bits. las asignaciones numéricas son para beneficio de digitemp. En mi caso, 28D1483C0200002F es la sonda que me gustaría utilizar, por lo fino #0.
Ahora, vamos a ver lo que devuelve:
# digitemp_DS9097U -q -c /etc/digitemp.conf -a Mar 04 22:22:43 Sensor 0 C: 25.38 F: 77.67 Mar 04 22:22:44 Sensor 1 C: 27.56 F: 81.61
Genial, funciona bien. Pronto tendremos los datos en un formato legible por la máquina, así que aquí está cómo hacerlo:
# digitemp_DS9097U -q -c /etc/digitemp.conf -o 3 -a 0 77.79 81.50 "













