Paso 4: Hacer el circuito del transmisor



Trate de hacer el circuito transmisor tan pequeño como sea posible, porque debe ser montado en gloves.place todo elemento de más cerca entre sí para minimizar el tamaño. He proporcionado diseño de pcb y serigrafía para circuito transmisor
Nota : la disposición del PWB es no un espejo
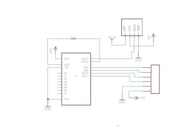
El circuito transmisor es contiene solamente un IC(ht12e) sólo tiene que conectar todos los cables como por el circuito del transmisor se puede ver un cuadro rojo en el circuito simplemente ignorarla. Tengo siempre imagen notas A, B, C, D en el circuito del transmisor conectarlo a, B, C, D, E respectivamente en el guante. Cómo hacer el guante que me referiré en el siguiente paso
HT12E
El codificador HT12E tiene igual como el decodificador HT12D
El pin 14 TE es permitir la transmisión
pin17 duda essalida de datos Serial
pines 10,11,12,13 están AD0, AD1, AD2, AD3 respectivamente son patillas de dirección de datos de 4 bits para la entrada de