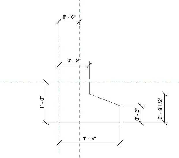
Revit: Incrustada barrido de umbral (5 / 6 paso)

Paso 5: Fijación del perfil

  • Volver al perfil que hemos creado.
  • El perfil del espejo en el eje y.
  • En este momento también puede mover el perfil a cualquier longitud que usted desea. Me dibujó un plano de referencia y se trasladó a 6".
  • Vuelva a cargar el perfil en su proyecto.

En este momento que tendrás un mensaje emergente dice que la familia ya existe y lo que gustaría hacer. No tenemos los parámetros asociados con la familia, así que realmente puede escoger cualquiera de los dos. Si tuvieras parámetros relacionados con él, probablemente querrías escoger el inferior. Ahora cuando nos fijamos en la pared, debe ser colocado correctamente.

Artículos Relacionados

Barrido de calle alerta

Barrido de calle alerta

Yo recientemente se mudó a San Francisco y, siendo una LA nativa, ha notado algunas diferencias culturales. El primero y más notable es que cualquier tienda, ya sea una tienda 7-Eleven o hardware, siempre lleva a chocolate lujo artesanal. El segundo
Pipa de revólver de Fallout 4

Pipa de revólver de Fallout 4

voy a mostrarle cómo creé el revólver de la pipa de Fallout para un cosplay de Nick Valentine. Había creado este con la ayuda de un láser, pero podría ser corte con sierras de herramientas básicas si tienes paciencia.Paso 1: plantilla como he dicho,
Construir su propio revólver IPhone soporte

Construir su propio revólver IPhone soporte

a través de este instructable crearemos una divertida y toque único a la base del iPhone. Lo mejor es una vez que haya creado uno de estos tendrá el conocimiento para cambiar hacia arriba y hacer múltiples con diferentes diseños!Cosas que necesitará:
Crear un edificio, agregar escaleras, cambiar unidades, añadir más ventanas y utilice cuadro de sección de Autodesk Revit

Crear un edificio, agregar escaleras, cambiar unidades, añadir más ventanas y utilice cuadro de sección de Autodesk Revit

el propósito de este tutorial es guiarlo a través de diferentes pasos en el programa de software de Autodesk Revit. Después de ver este tutorial serás capaz de:-Iniciar un proyecto nuevo en Revit-Crear un edificio que incluye los componentes básicos;
Caramelizada tarta de pera al revés

Caramelizada tarta de pera al revés

Esta tarta de vacaciones es perfecta para acción de gracias, Navidad o cualquier ocasión especial que requiere un dulce delicioso y único. Mi mamá y yo encontré esta receta en una edición de 1997 de la revista Gourmet y han estado haciéndolo desde en
Geodas (revés) oro

Geodas (revés) oro

Hacer hermosas geodas (revés) con algunas rocas de su patio trasero y algunos suministros simple!Paso 1: Ver el corto video tutorial aquí!Paso 2: Usted necesitaráBóraxColorante de alimentoRocasSatén multi-superficie americana en oroLimpiadores de pip
Cómo TBL TBL y punto revés (bucle posterior).

Cómo TBL TBL y punto revés (bucle posterior).

¿Has visto un patrón con la abreviatura P TBL o K TBL?Parece que sería difícil, pero es tan fácil! (TBL P) significa al revés a través del lazo espaldo & (K TBL) significa punto bucle posterior!Así, en lugar de tejer y ribeteado por la parte delanter
¿Al revés piña RoboCake

¿Al revés piña RoboCake

así que lo que podría llegar a una comida navideña de Instructables pero una RoboCake de piña al revés? Hacer las tortas de tamaño de porciones individuales para disfrutar al enrollar para un regalo especial después de que los invitados han pasado o
Trabajo de pintura de Nerf Rev 5

Trabajo de pintura de Nerf Rev 5

este es un gran nerf pistola mod para la N-Strike Elite espectro Rev-5Se necesita1 destornillador.2 latas de pintura en aerosol color.1 rollo de cinta adhesiva.1 notas.1 nueva nerf gun primavera.Tijerasmás de 3 días para completar#########ENJOY#:)$##
Montaje de la plataforma de hardware cambiando 2.1 (rev B)

Montaje de la plataforma de hardware cambiando 2.1 (rev B)

este instructivo le guiará a través del montaje de una plataforma de hardware (rev B) para apoyar el nuevo sistema de eye-tracking 2.1 cambiando código abierto.Para obtener más información sobre el proyecto cambiando en general, visite el sitio ofici
¿Hacer un reloj modificado para requisitos particulares que funciona al revés

¿Hacer un reloj modificado para requisitos particulares que funciona al revés

lo que este Instructable le enseñará?Tomar un reloj viejo llano o el reloj y hacerlo correr hacia atrás y coloque en una cara de reloj genial para hacer su propio reloj modificado para requisitos particulares que se puede colgar con orgullo, porque s
Coser A crecer bolso o -al revés Plantador

Coser A crecer bolso o -al revés Plantador

finalmente encontró algo útil para encender un grueso, lona rayas azul y blanco tela en - una atractiva bolsa de crecer para los arándanos y las fresas. Emparejado con un forro de lado blanco, crecen estas bolsas tienen una especie de aspecto náutico
El revés de estantería

El revés de estantería

¿Alguna vez querido un elemento de captura de los ojos en su casa, o una decoración muy diferente para un partido u otro tipo de evento?  Algo que hará que la gente deje en sus pistas y decir WOW!  Eso es increíbles, cómo hiciste?  Bueno, creo que es
Revólver de malvavisco y culatín

Revólver de malvavisco y culatín

Recientemente, me he vuelto obsesionada con la mecánica de la vieja escuela revólveres y pistolas de malvavisco de PVC. Finalmente, decidí casarme con los dos, y el revólver de malvavisco nació! Cuenta con un ensamble de cilindro y yugo que hace pivo