Resplandeciente cristal de tormenta Fitzroy (6 / 8 paso)

Paso 6: manual de reparacion

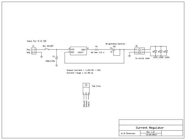
Las piezas de la esquema no son súper críticas.  Los valores de R1 y R2 ajustar el brillo. El condensador C1 puede ser cualquier valor de 10uf a 1000uf como la tensión nominal es superior a la fuente de alimentación. Conectores para J1 y J2 facilita a construir. Usar lo que tienes.

Artículos Relacionados

Fitzroy tormenta cristal

Fitzroy tormenta cristal

este instructable le llevará a través de los pasos de hacer un cristal de la tormenta de Fitzroy.Tormenta cristal de Fitzroy - instrumento de tiempo usado en Darwin de la nave HMS BeagleAlmirante Fitzroy (1805-1865), como comandante del HMS Beagle, p
PUNK de vapor tormenta cristal

PUNK de vapor tormenta cristal

vapor-Punk esta tormenta-cristal fue actualizado 20 de abril de 2013 en junioy otra vez en diciembreEl cristal de la tormenta de Fitzroy fue introducido por botronics y su fina ible.(él también se unió a la comunidad ibles 3 días antes de que hice :-
Crear un cristal de la tormenta (instrumento de predicción del tiempo)

Crear un cristal de la tormenta (instrumento de predicción del tiempo)

Bueno, nevó hoy! + 1 para tormenta cristal prediccion exactitud.El cristal de la tormenta se inventó en el siglo XVIII medio y pronto hizo su manera en naves y puertos alrededor de Europa para ayudar a dar ADVERTENCIA de acercarse a la intemperie. Ga
Radio de cristal para ir: un receptor portátil, batería de cristal en una caja de Pizza

Radio de cristal para ir: un receptor portátil, batería de cristal en una caja de Pizza

Experimente la diversión de construir uno de los primeros tipos de receptores de radio difusión! Con él, usted podrá recoger estaciones sin usar ningún tipo de batería. Se basa enteramente en la energía eléctrica ya presente en las ondas de radio. Us
Cómo prepararse para una tormenta

Cómo prepararse para una tormenta

no planeaba ningún instructivo de este concurso sobre supervivencia--entonces Sandy llegó y apagó las luces. De repente "Prepárese" tomó un nuevo significado. Cooped en interiores por una semana, sola con dos muchachos inquietos, pero muy agrade
NIC Nac Tic Tac cristal Radio Set - un proyecto de escuela primaria Ideal...

NIC Nac Tic Tac cristal Radio Set - un proyecto de escuela primaria Ideal...

¡Hola! Este Instructable es todo sobre la construcción de un sistema de radio de cristal básico es tan sencillo de construir y comprender, que un niño podría hacerlo - con la ayuda de mamá o Papá , o incluso en la escuela, como un proyecto de clase.
Hacer una tormenta de tubo de ensayo!!!

Hacer una tormenta de tubo de ensayo!!!

En este experimento de ciencia fría hacemos una tormenta en un tubo de ensayo con alcohol, ácido sulfúrico y permanganato de potasio.ADVERTENCIA: este experimento es muy peligroso ya que implica ácidos corrosivos y líquidos inflamables con un pequeño
Lámpara de cristal de grava

Lámpara de cristal de grava

He encontrado un tubo PMMA en el sótano así que qué hacer con una pieza tan costosa.Una idea fue crear una lámpara de tubo transparente. Así que he empezado a pensar en las posibilidades.El resultado es una lámpara decorativa de vidrio grava.Paso 1:
Terrario de cristal geométricos de cajas de CD

Terrario de cristal geométricos de cajas de CD

En este instructable te voy a mostrar cómo hace un terrario de cristal geométricos utilizando algunos casos de CD, pegamento caliente y alguna hoja de cobre auto-adhesivo. Lo usamos para cactus y se ve muy bien. También hicimos un video con todo el p
Como hacer pulsera cabujón de cristal con perlas para chicas

Como hacer pulsera cabujón de cristal con perlas para chicas

¿quieres hacer pulseras para niñas? Si es así, nunca puede faltar tutorial de Pandahall de hoy sobre cómo hacer pulsera cabujón de cristal con perlas para niñas!Paso 1: Materiales necesarios para la pulsera cabujón de cristal:Cadena de giro de hierro
15 pasos para hacer un pulpo de cristal de Boro

15 pasos para hacer un pulpo de cristal de Boro

Mi colega y yo estamos visitando cada semana un famoso vidriero en Sydney, Australia para ponernos al día con la fabricación de vidrio de boro. En nuestra 2ª sesión surgió la idea de hacer un pulpo de cristal de boro. He visto muy a menudo esta criat
Alicia a través de las botellas de cristal mixta

Alicia a través de las botellas de cristal mixta

Celebrar la película Alice Through the Looking Glass haciendo botellas mixta con imágenes de tus personajes favoritos!Paso 1: Ver el tutorial aquí.Paso 2: Cosas que necesitaráBotellas de vinoPáginas del libroAmericana Decoupage en mateLustres metálic
DIY led iluminado cristal / o plexiglás decrotive aguafuertes

DIY led iluminado cristal / o plexiglás decrotive aguafuertes

en este instructable mal Mostrar unos consejos, sobre cómo crear un led iluminado del plexiglás o vidrio grabado y grabado.En unos pocos pasos puede crear una pieza impresionante manto o incluso un regalo personalizado. Por vacaciones o especial algu
Cómo hacer crecer cristales de sal!

Cómo hacer crecer cristales de sal!

Crecimiento de cristales de sal en los objetos para hacer interesantes formas de arte o para un experimento de ciencia simple es fácil y divertido! Aquí compartiré cómo hacer crecer cristales en 3D impresos enrejados y estructuras, pero pueden crecer