Paso 1: El hardware



Los archivos de diseño en formato "águila" se unen al instructable.
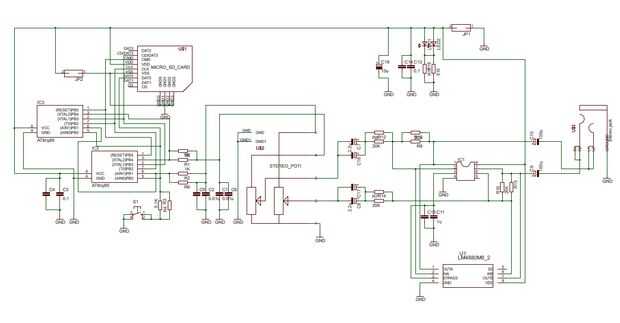
Como se ve en los esquemas de casi todos los dispositivos se duplican. Esto es porque la placa se realiza de la manera, que puede apoyar tanto a través de orificio y tipo SMD. Por supuesto debe soldarse solamente un tipo de dispositivo.
El BOM (lista de dispositivos) se puede extraer de los archivos de datos de diseño.
Mencionaré sólo algunas partes específicas:
Como se mencionó anteriormente, utilizo dos chips:
ATTiny85 - en paquete DIP8 o soic08
LM4880 - en paquete DIP8 o so08 o LM4881 en so08 o TPA6111A2 en so08 (todos pin compatible, excepto la inmersión)
Toma de audio como este o este
Los otros componentes pueden ser a través de orificio tipo o SMD - su elección.