Paso 2: montaje








Primer problema fue que los titulares de LED fueron la misma profundidad que el panel. Tuve que quitar un poco de material de la parte posterior de las tuercas coger... Hice un trabajo rápido que con un fondo de 3/4 corte poco. Mismo poco uso a la superficie de una tabla de sacrificio cuando hago de PCB o grabados de Plexi.
Una vez que ese alivio se cortó la Asamblea fue bastante rápido. Tenía un carrete de hilo rojo, eso es lo que usé. Algunos de ustedes pueden temblar en ese pensamiento de todos los cables están del mismo color...
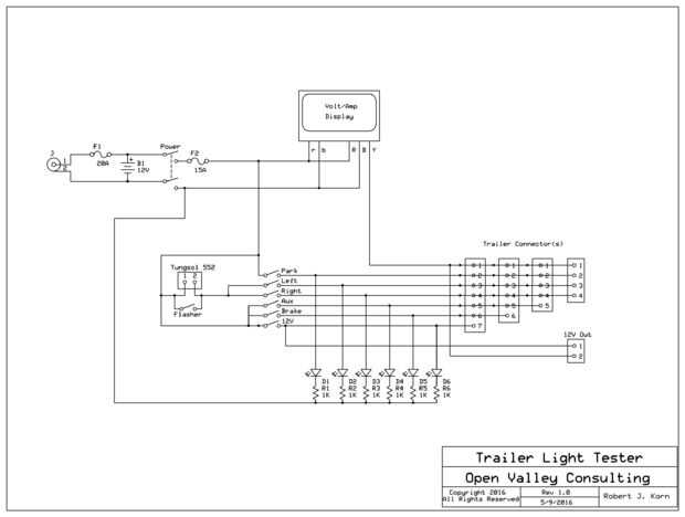
Recuerde instalar el interruptor intermitente boca abajo. Es así en todos los interruptores. mirar el esquema y debe ser obvio por el interruptor intermitente es de esa manera.
- Batería de ácido plomo de 12V (MCM Electronics 29-3120 $20,99)
- D1 - D6 LED azul (Tayda electrónica $0,05)
6 LED soportes (Tayda electrónica $0,04)
2 sostenedores del fusible 6x32mm (Tayda electrónica $0,49)
- SW1 - Interruptor SPST SW5 (mina de oro Electronics G19473 paquete 10 por $2)
- SW6 SPST Switch momentáneo (Tayda electrónica $2)
- F1 fusible de 20A (Tayda electrónica $0,45)
- F2 fusible de 15A (Tayda electrónica $0,45)
- R1-R6 1K 1/4 Vatio (Tayda electrónica $0 .01each)
- 7-6-5-4-way conector del remolque (s) como deseado (tienda de $5 - $50)
- Tungsol 552 intermitente o equivalente (tienda de $2 - $12)