Paso 3: Electrónica arco iris








Hay unos cambios de pin desde el diseño original pero el resto no ha cambiado mucho desde el diseño original de Doug.
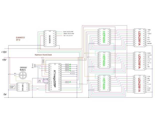
También he añadido un PDF con el diagrama de cableado en el archivo ZIP.
Hay 4 hilos de cada tira de LED, un positivo conmutado, azul negativo, negativo rojo y verde Nagative.
Conecté todos los cables rojos en un montón con uno más por lo que he podido conectar a la cinta de cable, lo mismo con verde y azul. Me simplemente soldar el grupo juntos y luego se cubre con encogimiento del calor.
Hay una pequeña franja de placa para conectar el cable de cinta a la blanco positivo conmutado para cada celda.
Vale la pena trazar el cable ribon en este momento con una fuente de 12V, asegúrese de que todos los LED trabajo y nota que cable hace que la célula.