Paso 1: Diseño de Hardware




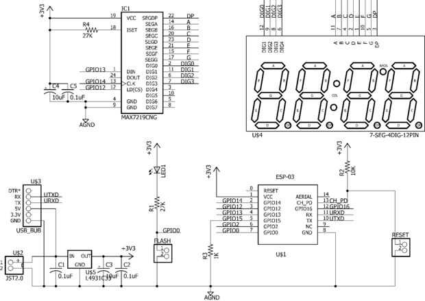
Por lo que yo planeaba usar la ESP8266, específicamente, el ESP-03 como el cerebro del reloj. Decidí utilizar a cuatro dígitos, display de siete segmentos. Para manejar la pantalla, yo usaría un IC de 7219 MAX. Vea la foto.
Problema: Así, la especificación de ESP8266 de voltaje es 3.0 a 3.6Vdc.
El MAX7219 es 4.0 a 5.5Vdc.
Maxim hace un 3,3 v IC MAX6950/1 pero es un paquete SMD y alrededor de cinco veces el costo.
Solución: Bien, tuve algunas MAX7219s y había probado a 3.3Vdc y trabajaron.
Esta es la manera que miro. Cuando un fabricante del IC escribe las especificaciones de una pieza, esencialmente está garantizando que todas las partes cumplan con los. Ahora por ellos satisfacerlos, la especificación de diseño tiene que ser mucho más amplio que la especificación.
ADVERTENCIA: Así que para los puristas y perfeccionista por ahí, este diseño es utilizando el elemento fuera de especificaciones. Si estaba diseñando para un producto comercial, yo no haría esto. Pero como un aficionado, lo haría.
Compra de displays de 7 segmentos para el MAX7219, asegúrese de que son cátodo común. Algunos de ellos vienen con los dos puntos como la mayoría de los relojes digital. Los que tengo utilizan la interfaz de 12 pin. Vienen en diferentes tamaños y colores.
Costos principales
ESP-03 $2,50
MAX7219 $1,00
pantalla de 4 dígitos 7 segmentos $0,50
L4931cz33 regulador de voltaje $1,50
Precios en ebay/aliexpress.com
Tengo un montón de fuentes de alimentación de 5V pared verruga. Sólo empalma en un conector JST2.0.
Así, el costo total es alrededor de $7 USD.
Se adjunta es el esquema.
COMENTARIO:
R4 es la resistencia RSET para el MAX7219. Ayuda a limitar la corriente de la pantalla. Mínimo es de unos 10K pero quería una pantalla dimmer para mi dormitorio así que me puse a 27K.
Tengo el software para visualización de 12 horas. LED1 es en AM.
Flash y Reset son dos cabezales de perno que pueden utilizarse para establecer el ESP-03 en el modo de programa para cargar un dibujo diferente.
JST2.0 conector es el conector de alimentación de 5Vdc.
El conector USB-BUB es mi estándar USB-BUB. Requiere un adaptador serial USB como un CP2102 para recargar bosquejo pero requiere nada cuando acaba funcionando.
He tenido algunos problemas al hacer este PCB. Creo que el problema es que acabo de cambiar a un toner genérico para impresora láser en mi y no se adhieren como el original. No pude obtener la pantalla de seda para transferir a todos como veis en la foto.
Pero con mucho trabajo y algunos puentes extras, hacer que funcione.
Nota: La pantalla descansa sobre la MAX7291. Cortado las pestañas para que ajuste un poco mejor.
Águila de Cadsoft archivos adjuntos.