Reloj binario LED (2 / 6 paso)

Paso 2: Hacer PCB y programa PIC

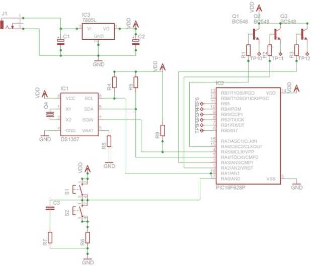
El primer paso es hacer los PCB, el diseño de PCB y esquemas para el reloj principal y el tablero de exhibición se encuentran en formato de Eagle. El reloj de la PCB es doble cara, pero la capa superior consiste simplemente en 7 enlaces, esto significa que la PCB podría realizarse también como una sola capa con enlaces de 7 alambres en su lugar, esta es la manera decidí hacer como no puedo hacer doble caras juntas.

El PCB de pantalla utiliza dispositivos de montaje superficial exclusivamente mientras el reloj principal PCB utiliza una mezcla de montaje superficial y los componentes por-agujero.

Es importante programar el chip PIC con el archivo hexadecimal antes de la soldadura en el circuito ya que no hay ninguna conexión ICSP en el tablero.

Artículos Relacionados

Cwik Clock v1.0 - un reloj binario de Arduino

Cwik Clock v1.0 - un reloj binario de Arduino

ResumenEsta es una guía a la construcción de un reloj accionado Arduino que utiliza LEDs para mostrar un reloj de 24 horas (horas y minutos) como dígitos binarios, un medidor analógico para mostrar a los segundos, un interruptor para conmutar entre e
Increíble reloj binario en una matriz de LED

Increíble reloj binario en una matriz de LED

Hola, todos!Este es mi proyecto de un reloj binario con matriz de LED 8 x 8 y como características interesantes.Toda la información de día, mes, año, hora, minutos, número de la semana del año se muestran en una notación binaria.Las excepciones son l
Reloj binario de Leds 4

Reloj binario de Leds 4

4 reloj binario de LEDs, Mostrar la hora en modo binario, con intermitente LED primera muestra la horas y minutos, para entender como funciona le deben saber leer binario aquí Enlace para aprender:http://www.wikihow.com/Read-a-Binary-ClockGracias por
Reloj binario de pared (80 LEDs)

Reloj binario de pared (80 LEDs)

una pared reloj binario en tiempo real.80 LEDs + Microchip PIC16F876A DS1307 (RTC)
Reloj binario de Arduino usando LED Matrix

Reloj binario de Arduino usando LED Matrix

Este sitio tiene muchos puestos finas que describe la construcción de los relojes binarios. Soy tremendamente inestable, sin embargo y tienen dificultad para cualquier soldadura. Por lo tanto quería hacer mío de una matriz de 8 x 8 LED MAX7219-contro
Reloj binario en 7 segmentos LED pantalla

Reloj binario en 7 segmentos LED pantalla

Hola a todos,Este proyecto le mostrará un raro reloj binario con pantalla LED de 7 segmentos (ver VIDEO) y controlado por un Arduino.La idea es muy simple, sólo convertir datos binarios de horas, minutos y segundos en los segmentos "A la G" de p
Ping Pong bola color reloj binario

Ping Pong bola color reloj binario

Cambiar una Junta de matriz de Funduino 8 * 8 y 24 horas reloj binario utilizando pelotas de ping pong y todo color de LED a color.Ya he construido un pequeño reloj binario de 12Hr y montado en una computadora, esto funcionó muy bien pero era realmen
Plato reloj de LED RGB

Plato reloj de LED RGB

Me gustan los platos. No solo como se ven pero sus componentes, sus cables, sus modificadores, sus dientes. Me gusta tanto que le cuelgo uno a uno de mis paredes como una obra de arte. Y si quieres hacer eso, entonces ¿por qué no hacen un reloj demas
Reloj binario de pulsera

Reloj binario de pulsera

Creo que su a menudo fresco para lucir con un Gadgets retro. Planeaba hacer una muñeca reloj con pantalla LCD, pero luego cambié de opinión y había hecho este reloj binario en una placa de prototipo. Incluso hice un micro controlador con Atmega328p-p
NerdClock: Un RGB reloj binario [Software de Arduino]

NerdClock: Un RGB reloj binario [Software de Arduino]

IntroducciónRelojes binarios son una manera genial para mostrar el tiempo de una manera misteriosa. Y a los que no saben leer ese tipo de reloj es una manera simple, pero eficaz para incrementar su nerdiness nivel nubes. ¿Que podría ser algo que gust
Reloj binario de Arduino

Reloj binario de Arduino

Finalmente he dicho, el reloj binario la gente alrededor de mí oído me habló para tan de largo. Estaba tratando de hacer esto durante las últimas vacaciones de Navidad, pero le faltaba tiempo, cambié empleos 2 veces en los últimos 6 meses... por lo q
Más pequeño reloj binario

Más pequeño reloj binario

este es el más pequeño reloj binario que mostrar la hora con sólo 4 leds.El cerebro en este reloj es el PIC16F84A, el tiempo se mostrará cuando se presiona el botón 'show'. Los dígitos de la hora aparecen en BCD de los cuatro LEDs. Decenas de horas a
Reloj binario

Reloj binario

quiero siempre tener reloj binario, así que hice una y funciona muy bien, me encanta este reloj es divertido ver demasiado.El corazón del reloj es microcontroler PIC16F84A y otras partes como el cristal, LEDs.Gracias por ver el video y aquí mis enlac
Arduino Powered reloj binario

Arduino Powered reloj binario

este instructable le ayudará a construir un reloj binario de Arduino.  La idea orignial de este instructable fue diseñado por Daniel Andrade.  Mi instructable utiliza componentes de montaje superficial, pero puede ser fácilmente adaptado para a travé