Reloj binario de pulsera (3 / 10 paso)

Paso 3: esquema

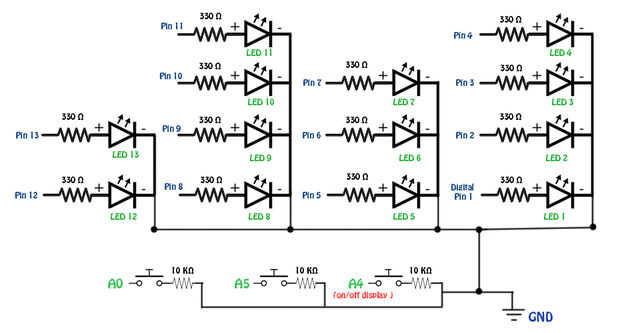
Los LED ' s están conectados a los pines de Digital de Arduino (1 al 13) según el esquema. Los pulsadores están conectados a los pines analógicos (A0, A4 y A5) respectivamente.

Artículos Relacionados

Cwik Clock v1.0 - un reloj binario de Arduino

Cwik Clock v1.0 - un reloj binario de Arduino

ResumenEsta es una guía a la construcción de un reloj accionado Arduino que utiliza LEDs para mostrar un reloj de 24 horas (horas y minutos) como dígitos binarios, un medidor analógico para mostrar a los segundos, un interruptor para conmutar entre e
Mi reloj binario de Arduino

Mi reloj binario de Arduino

Hola desde ItaliaAunque muchos relojes binarios creados, mi proyecto se inspiró principalmente a esto:http:// muy inteligente y divertido.He intentado mejorar el diseño y para añadir algo personal.Creo que es un buen resultado al final.El proyecto no
Un simple reloj binario con USB

Un simple reloj binario con USB

sí, ya sé, ya hay montones y montones de instructables sobre relojes binarios.  Quería construir una durante mucho tiempo así que con el concurso USB en mente, dio un ir. Así que si gusta este Instructable entonces por favor vote por ella en el concu
Ping Pong bola color reloj binario

Ping Pong bola color reloj binario

Cambiar una Junta de matriz de Funduino 8 * 8 y 24 horas reloj binario utilizando pelotas de ping pong y todo color de LED a color.Ya he construido un pequeño reloj binario de 12Hr y montado en una computadora, esto funcionó muy bien pero era realmen
NerdClock: Un RGB reloj binario [Software de Arduino]

NerdClock: Un RGB reloj binario [Software de Arduino]

IntroducciónRelojes binarios son una manera genial para mostrar el tiempo de una manera misteriosa. Y a los que no saben leer ese tipo de reloj es una manera simple, pero eficaz para incrementar su nerdiness nivel nubes. ¿Que podría ser algo que gust
Reloj binario de Arduino

Reloj binario de Arduino

Finalmente he dicho, el reloj binario la gente alrededor de mí oído me habló para tan de largo. Estaba tratando de hacer esto durante las últimas vacaciones de Navidad, pero le faltaba tiempo, cambié empleos 2 veces en los últimos 6 meses... por lo q
El reloj binario de la Plasma de increíble, estilo Steampunk.

El reloj binario de la Plasma de increíble, estilo Steampunk.

Un par de meses hace el Sr. Longwinters enviarme algunas bombillas de plasma (neón) ingenio bobinas E-27 europeo.Señor Junophor me ofreció una paz grande de madera de caoba. Así que tuve la materia prima para un reloj binario steampunked.El reloj est
Más pequeño reloj binario

Más pequeño reloj binario

este es el más pequeño reloj binario que mostrar la hora con sólo 4 leds.El cerebro en este reloj es el PIC16F84A, el tiempo se mostrará cuando se presiona el botón 'show'. Los dígitos de la hora aparecen en BCD de los cuatro LEDs. Decenas de horas a
Reloj binario

Reloj binario

quiero siempre tener reloj binario, así que hice una y funciona muy bien, me encanta este reloj es divertido ver demasiado.El corazón del reloj es microcontroler PIC16F84A y otras partes como el cristal, LEDs.Gracias por ver el video y aquí mis enlac
Reloj binario LED

Reloj binario LED

esta es la segunda revisión de mi PIC basado en reloj binario LED. La versión original fue el primer proyecto PIC intenté, utiliza un PIC16F84A ambos el cronometraje y control de la matriz de la pantalla, lamentablemente no mantener buen tiempo y gan
Arduino Powered reloj binario

Arduino Powered reloj binario

este instructable le ayudará a construir un reloj binario de Arduino.  La idea orignial de este instructable fue diseñado por Daniel Andrade.  Mi instructable utiliza componentes de montaje superficial, pero puede ser fácilmente adaptado para a travé
Increíble reloj binario en una matriz de LED

Increíble reloj binario en una matriz de LED

Hola, todos!Este es mi proyecto de un reloj binario con matriz de LED 8 x 8 y como características interesantes.Toda la información de día, mes, año, hora, minutos, número de la semana del año se muestran en una notación binaria.Las excepciones son l
Reloj binario de Leds 4

Reloj binario de Leds 4

4 reloj binario de LEDs, Mostrar la hora en modo binario, con intermitente LED primera muestra la horas y minutos, para entender como funciona le deben saber leer binario aquí Enlace para aprender:http://www.wikihow.com/Read-a-Binary-ClockGracias por
Reloj binario de pared (80 LEDs)

Reloj binario de pared (80 LEDs)

una pared reloj binario en tiempo real.80 LEDs + Microchip PIC16F876A DS1307 (RTC)