Paso 1: Cómo hacer un pulso muy pequeño en un nivel de lógica










El reto:
El sensor que se muestra en la imagen es la vieja que me la pelaron abajo. Un sensor de registro de NASA Marine Clipper. La paleta es uno que golpeó hasta jugar con como anterior fue asesinado.
Es un diseño pasivo de dos hilos muy sencilla que consiste en una bobina con una barra de hierro por el centro de la parte estática. La rueda tiene imanes en dos de las palas que generan una pequeña corriente en la bobina cuando pasan.
Se puede ver en el rastro de alcance la salida del sensor. Es una señal muy pequeña, no conveniente como una entrada digital. Además, más lenta la paleta activa, menor será la amplitud.
Tenemos que convertir esto en un pulso de nivel lógica consistente y confiable antes de que podamos proceder.
La solución:
Sin duda una tarea para amplificadores op.
El circuito que se me ocurrió puede ser dividido en cinco etapas. Voy a describir cada etapa brevemente, lo que hace y por qué está allí.
1. una configuración de amplificador de instrumentación de alta ganancia.
Necesitamos algunos seria ganancia en esta sección si vamos a convertir esta señal en útil. Afortunadamente no estamos particularmente interesados en preservar la forma del pulso, así que no importa si nos los op-amperios a los rieles y clip las extremidades de los impulsos. De hecho, trabaja a nuestro favor para hacerlo.
2. un filtro de paso bajo de primer orden
La frecuencia de los pulsos nos interesa son relativamente bajos.
Transmisor Bluetooth módulo (HC-06) crea ruido de frecuencia más alto alrededor de 10KHz que aparece en la entrada del amplificador. Esto da lugar a lecturas falsas de alrededor de 1900Kts
100Hz equivale a acerca de 18Kts. La velocidad del casco de mi barco es alrededor de
6.5Kts, así que 100 Hz me pareció un buen punto para roll off las frecuencias más altas.
El filtro (un capicitor y una resistencia) aparece después de la etapa del amplificador y no antes de él por una buena razón.
Si fuera frente al escenario de amp que forman un circuito sintonizado con la bobina del sensor y resuenan a producir un flujo constante de impulsos no deseados. Después de la etapa del amplificador, no existe riesgo de que esto ocurra.
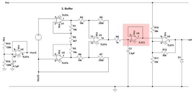
3. un búfer
En este caso, se podría quitar el tampón. Está presente porque tuve un op-amp repuesto y no lo quiero ir haywire y afectando a los otros en el paquete. Podría haber sólo atado las entradas a la tierra virtual, pero era más fácil de incluir como un tampón.
4. un disparador de Schmitt
Ahora ya sabemos lo que podemos esperar en la salida de las primeras etapas, podemos pensar en convertirlo en una lógica adecuada en forma de señal.
Un disparador de Schmitt es una excelente manera de hacerlo. Sin entrar en mucho detalle aquí, se desencadena en dos lugares. El primero, cuando llega a la entrada un voltaje especificado enviará la salida baja. Y la segunda, cuando la entrada cae por debajo de un voltaje especificado enviará la salida alta.
Puesto que sólo estamos buscando un disparador de puertas de pulso y de la lógica en un borde de levantamiento o caído, no le molesta si la señal es invertida o no. Como ocurre, la señal es invertida por el amplificador de instrumentación y otra vez por el disparador de schmitt por lo que termina por el mismo camino.
5. un diodo Zener
Hay un leve tirón con el circuito hasta ahora porque estamos utilizando una fuente de 9V de carril único.
Para ejecutar un op-amp, requiere + y - suministro de rieles. Ya que se cuelga un regulador de 9V el suministro de 12V de barcos, no tenemos esto.
La manera de superar esto es crear un campo virtual que se encuentra en 1/2 la tensión de alimentación. Esto da nos + 4.5V y - 4.5V concerniente a nuestra tierra nueva y permite nuestros op-amps a positivos y negativos.
Para la señal de la lógica sin embargo, queremos una oscilación de 0V a 5V desde el suelo real.
En los pasos el diodo Zener al rescate! Se recorta en este caso la salida a 4.7V.
Ahora ya sabemos lo que es la salida del disparador Schmitt ahora sabemos que tenemos un columpio fiable entre una lógica 0 y una lógica 1.
He incluido un rastro del modelo LTSpice que solía simular el circuito antes de que sacaron mi soldador.
La clave es como sigue:
Verde - señal de entrada
Azul - salida de la etapa del amplificador de instrumentación
Rojo - la salida después del disparador de Schmitt y el diodo Zener.
Si no estás familiarizado con LTSpice, es bien vale la pena conocer. Es muy fácil de usar, potente y libre.
Todavía tienes que hacer tus cálculos, pero una vez que estás en el parque de la bola derecha, afinar es fácil y rápido, y no termina con una gran pila de componentes en su banco una vez que termines.