Reflexivo destella seguridad mochila (3 / 11 paso)

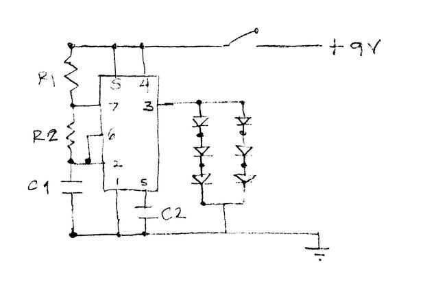
Paso 3: Construir el intermitente 555


Construir el circuito según el esquema. No agregue el LED o cambiar a la Junta. Iremos añadiendo los más tarde sus propios tableros. Fije el clip de la batería de 9v para el tablero con pegamento caliente.

R1: 1 M ohm Resistor (marrón negro verde)
R2: 1 M ohm Resistor
C1: 0.1 uF Capacitor (código 104)
C2: 0.1 uF Capacitor

Artículos Relacionados

Matriz de LED bicicleta seguridad mochila

Matriz de LED bicicleta seguridad mochila

Andar en bicicleta alrededor de los coches puede ser algo aterrador, y permaneciendo visible por la noche es crucial para su seguridad. Este tutorial le mostrará cómo hacer una mochila de matriz de LED personalizado que es mucho más grande y más bril
Mochila antirrobo alarma

Mochila antirrobo alarma

Si eres un estudiante, como yo, ustedes han oído del robo que ocurre en los campus de hoy. No puedo incluso dejo mi mochila solo durante cinco minutos sin preocuparse de lo que roban. Para aliviar mi mente y para ayudar a compañeros, he diseñado una
Controlar una matriz de LED

Controlar una matriz de LED

Matrices de LED son un montón de diversión y más fácil que usted puede pensar que al control. En este Instructable, usted aprenderá cómo una matriz de LED se construye y funciona y cómo conducir con un chip de controlador MAX7219. Utilizaremos a un E
Mochila bolsa de aire y cinturón de seguridad

Mochila bolsa de aire y cinturón de seguridad

Aproximadamente hace cuatro años, llegué en un accidente de coche bastante gnarly (todo el mundo estaba bien no te preocupes). Cuando fui a la yarda de la chatarra para recoger mis pertenencias del coche me di cuenta el material de nylon muy fuerte d
Cohete mochila traje

Cohete mochila traje

3... 2... 1... despega!Traje de Halloween en tu propia mochila de cohete volador saca como nunca antes!Usted podría haber visto este traje que sopla la Internet el año pasado. Fue inspirado por un disfraz de un programa de variedad de juego Japonés,
Ocultos bolsillo para objetos de valor en tu mochila

Ocultos bolsillo para objetos de valor en tu mochila

se trata de un bolsillo oculto que puede poner cosas valiosas en si usted está preocupado acerca de personas robar cosas de la mochila.Lo hice esto incluye costura. Se pueden usar pernos de seguridad en su lugar aunque.Y por favor no utilice esta par
Cinturones de seguridad de reciclar y hacer las señoras te amo!!

Cinturones de seguridad de reciclar y hacer las señoras te amo!!

Esto es un Instructable sobre cómo reciclar asiento - correas de coches viejos y hacer muchas cosas útiles.Algunos de estos incluyen...Un bolso unisex ajustable sola correa que las damas les encantará!Un monedero de la moneda pequeña para las mujeres
El Darth Solar Powered espacio Ingeniero tablero de Clip y mochila caja

El Darth Solar Powered espacio Ingeniero tablero de Clip y mochila caja

El Darth Solar Powered espacio Ingeniero portapapeles y mochila cajaPaso 1: No olvides el portapapeles! El Solar Powered Clip Junta recinto del ingeniero.Potencia tu Raspberry Pi en el ir! U otras cosas como los teléfonos celulares.Cada panel solar e
Pintar tu moto / bicicleta / engranaje reflexivo!

Pintar tu moto / bicicleta / engranaje reflexivo!

Este Instructable cubrirá la aplicación tópica de microesferas reflexivas retras (aquí en el cabo conocido como perlas de vidrio). El concepto es que usted está esencialmente haciendo el artículo elegido reflexiva a través de la misma manera que hace
Mochila Ultimaker móvil

Mochila Ultimaker móvil

Aquí está mi guía de cómo conseguir tu Ultimaker móvil! Trato de ilustrar las dos partes tan claramente como sea posible.Primero nos fijamos en cómo montar unas correas de mochila sin dañar su Ultimaker y luego veremos en la electrónica que se necesi
Radiactivo frambuesa Pi lazo bolso mochila

Radiactivo frambuesa Pi lazo bolso mochila

Irónicamente, accionado por un arduino Adafruit Flora, ok, cualquier obleas de chips de silicio están formadas.Hacer que esta luz usable hasta emblema del Raspberry Pi en este saquito práctico fresco que también se dobla como una mochila. ¿Lo asombro
Anteojos de seguridad recetados DIY! (además de algunos extras)

Anteojos de seguridad recetados DIY! (además de algunos extras)

Como una persona con visión horrible, siempre tengo el problema de la necesidad de tener mis gafas en ver lo que estoy trabajando, pero tampoco tengo quejarse con el uso de gafas de seguridad gafas o mintiéndome a mí mismo que mi vidrios como gafas d
De la esclavitud de la mochila

De la esclavitud de la mochila

Introducción:El día rompió gris y aburrido.  Las nubes cuelgan pesadamente y hubo una crudeza en el aire que sugiere nieve.  Tienes el paquete, y usted está listo para salir para un viaje.  Completo de correas, la línea aérea sería dientes cinta vici
Paracord Solar USB batería mochila

Paracord Solar USB batería mochila

Por favor haga clic abajo para visitar nuestra página de proyecto de Kickstarter para pre-ordenar un modelo de producción.http://www.Kickstarter.com/projects/249225636/sola...Este instructable es para construir y colocar un peso ligero, el panel sola