Paso 1: Lista de piezas


1.) una en blanco PCB tabla
Cables de conexión delgada 2.)
Martillo A 3).
4.) soldador
5.) alambre de soldar
Pegamento Krazy 6.)
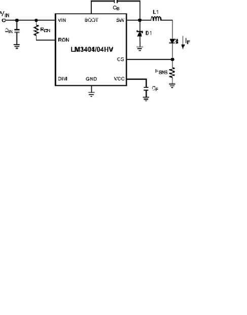
El National Semiconductor LM3404 1.0 Amp Buck regulador de corriente constante se utiliza como el dispositivo de regulación actual. Un conjunto detallado de instrucciones puede encontrarse en la hoja de datos para este dispositivo. Siguiendo estas instrucciones, el diseñador del circuito puede determinar las calificaciones de los componentes externos necesarios para satisfacer sus necesidades.