
Quería un medio eficiente para variar la velocidad y también como las bases para mi sistema de automatización de coche próximo pc. Este sistema estará a cargo del AC y otros sistemas críticos de seguridad no en el coche.
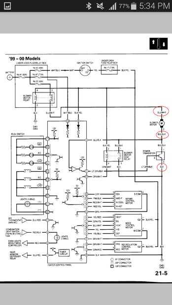
La captura de pantalla de la honda civic que manual resalté los cables necesitaba aislar para que el controlador de pwm al motor de accionamiento. Básicamente eliminé todos los otros alambres y los relais. El sistema de ventilación de mi coche he modificado pesadamente para mi clima cálido; el aire sopla sólo desde los orificios de ventilación del salpicadero y se encuentra en modo de recirculación permanente. Destruyó todos los motores para el control de ventilación ya que no tenía uso para los. Simplificado mi sistema de ventilación para adaptarse a mi clima.