Raspberry Pi caso calabaza

Tutorial

                                 Description

Software utilizado:
Inventor Professional 2013

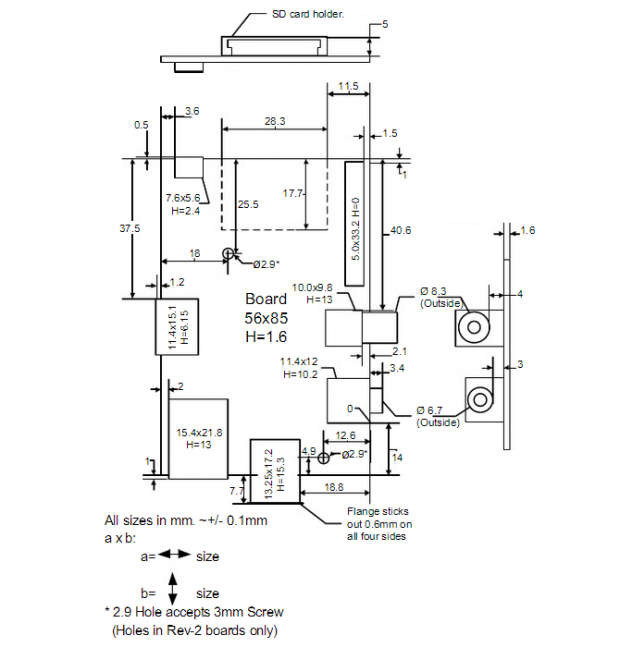
Esquema de Pi frambuesa:



Feliz Halloween :)

Artículos Relacionados

Cómo hacer un Raspberry Pi caso de an Altoids lata

Cómo hacer un Raspberry Pi caso de an Altoids lata

si usted tiene un tablero de computadora Raspberry Pi, usted puede hacer un gran caso para él fuera un Altoids lata de la menta.Necesitarás:1 tablero de computadora raspberry Pi1 lata de la menta de Altoids1 tarjeta de regalo plástica1 taladro Dremel
Frambuesa Pi: Cámara IP completamente inalámbrica. Pack de batería solar, WiFi, cámara de Logitech, Raspbian

Frambuesa Pi: Cámara IP completamente inalámbrica. Pack de batería solar, WiFi, cámara de Logitech, Raspbian

este es uno de los primeros proyectos que hice con mi frambuesa Pi. Quería ver si podía hacer una webcam totalmente inalámbrica y configurarlo a través de internet. A continuación se muestran los pasos y elementos que utiliza.Todos los elementos exce
Creación programática de un modelo 3D para impresión 3D

Creación programática de un modelo 3D para impresión 3D

Uno de mis pasatiempos favoritos es hacer esculturas de bola rodante.  Generalmente hago RBSs en cobre pero ser un friki pensé que molaría hacer una escultura virtual y 3D imprimir en Shapeways.Empecé primero por tratar de modelar un RBS con Blender.
Halloween arroz Krispies trata

Halloween arroz Krispies trata

qué mejor manera de celebrar Halloween que con delicioso arroz Krispies trata cubierto de gelatina con sabor a Fondant de malvavisco!  Compruebe cómo hacer estas adorables calabazas, fantasmas, esqueletos y gatos kitty.Paso 1: fuentes de No es realme
Raspberry Pi cero caso de Cluster

Raspberry Pi cero caso de Cluster

Por lo tanto, fuiste lo bastante afortunados como para tener en tus manos 8 frambuesa Pi ceros. ¿Qué hacer? Bueno, podría hacer 8 robots. O, para un poco más que el costo de un solo núcleo 4 1gb Raspi modelo 2B, usted podría hacer un 8-core 4gb super
123D calabaza iPhone caso

123D calabaza iPhone caso

este es un caso de iPhone imprimible 3-d en forma de una calabaza. El dorso es plano por lo que no bombeo de su bolsillo y se sienten incómodo. Añade un toque agradable a tu teléfono para el otoño. Puede añadir una cara y hacerla una gato-o-linterna
Convertir un teclado en un caso de Raspberry Pi para alrededor $20 o menos.

Convertir un teclado en un caso de Raspberry Pi para alrededor $20 o menos.

Mi primer publicado instructable. Quería tener una cubierta para mi RPi, pero no quería gastar mucho para conseguir uno. Recuerdo haber visto uno en línea y pensó que podía hacer algo como esto: http://www.howtogeek.com/121814/turning-a-keyboard-into
Raspberry Pi B + caso, rápido y barato

Raspberry Pi B + caso, rápido y barato

Bienvenidos a mi primer instructable.Cómo hacer un caso para esa nueva frambuesa Pi B + para ~ $2Paso 1: Materiales y herramientas Fuentes:ACE hardware Mini caja Utility - http://www.acehardware.com/product/index.jsp?produ...Herramientas:Pliars de na
Pi de PACS/calabaza calabaza

Pi de PACS/calabaza calabaza

la calabaza PACS fue construido para el concurso de decoración de calabaza de radiología MGH. Es una estación DICOM autónomo capaz de visualizar muchos tipos de imágenes radiológicas.La calabaza contiene un Raspberry Pi que proyecta imágenes sobre un
5 diseño de casos de corte de láser de 5 plataformas populares

5 diseño de casos de corte de láser de 5 plataformas populares

Cuando el primero compró mi frambuesa Pi, me dijeron: "Nunca lo pongas en tu bolso o bolsillo sin protección." No escucho. Lo puse en mi bolsa con algunos otros consejos. Luego, cuando lo tomé hacia fuera, he visto los alfileres doblados y rasgu
IoT - controlar un Raspberry Pi Robot por internet con HTML y shell scripts sólo

IoT - controlar un Raspberry Pi Robot por internet con HTML y shell scripts sólo

(Si te gusta este Instructables, no olvide votar en ella (por encima de: bandera de la esquina a la derecha). está compitiendo en concursos de automatización y de INTERNET de las cosas. ¡Muchas gracias! ;-)En este instructables, aprenderemos cómo cre
Calabaza de Halloween interactivo (basado en Arduino)

Calabaza de Halloween interactivo (basado en Arduino)

LA IDEA DEUna calabaza que se ilumina, se sacude y grita... [video]Es Halloween, naturalmente tenemos que tener un proyecto.La idea es tener una calabaza, que detecta la presencia de una persona intentando llegar a los dulces y luego emplea varios ef
Refrigerador de vino de calabaza

Refrigerador de vino de calabaza

Tallar la calabaza en un refrigerador de vino este año! Puesto en exhibición en su casa o en tu halloween fiesta y disfrutar de una copa de vino. Funcional y divertida, esta decoración festiva está segura complacer a la vista y el paladar.Seguir para
Controlar cualquier dispositivo usando un Raspberry Pi y un módulo de relé

Controlar cualquier dispositivo usando un Raspberry Pi y un módulo de relé

El objetivo de este ible es mostrar cómo empezar con la creación de un módulo de relé en su pi y controlarlo. Mi objetivo es añadir scripts a mis pulpos para encender y apagar luces, pero de todas formas decides finalmente controlar los comandos GPIO