Rainbowduino: Ping Pong (4 / 5 paso)

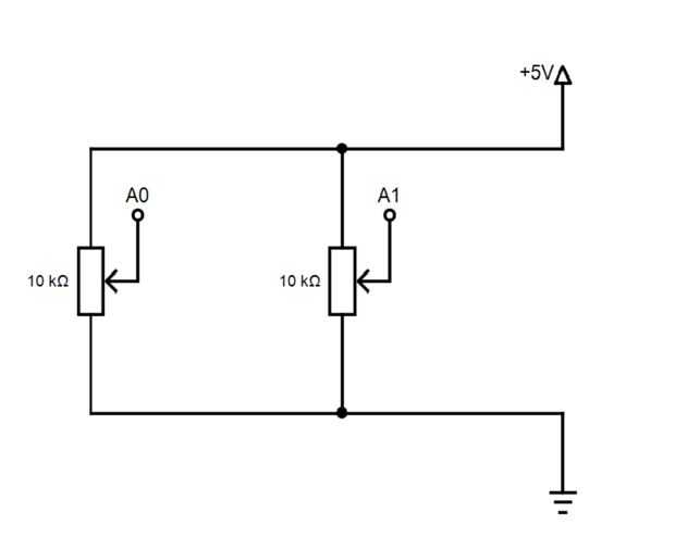
Paso 4: Conexión de los Potis

Ahora somos casi acabado...
sólo tiene que conectar el potenciómetro de dos como se muestra en la shematic. Cuando se invierte el batidor en el juego, solo interruptor de + 5V con toma de tierra.

Artículos Relacionados

Fácil plegable mesa de ping pong

Fácil plegable mesa de ping pong

Vamos a hacer una mesa plegable de ping pong como mi primer proyecto DIY publicado en instrucables.com. Las dimensiones reales de un una mesa de ping pong son 274 x 152 cm, debido a la dificultad de transporte, nuestra tabla se tiene las siguientes d
Mesa de Ping Pong a solas

Mesa de Ping Pong a solas

Un juego simple pero como todos los juegos de buena toma habilidad a master. Jugar tenis de mesa regular reglas o sólo hay que ver cuánto tiempo puede mantener la bola en movimiento. Apenas caída la bola en un lado de la mesa y sacudiendo su muñeca h
Ping Pong bola color reloj binario

Ping Pong bola color reloj binario

Cambiar una Junta de matriz de Funduino 8 * 8 y 24 horas reloj binario utilizando pelotas de ping pong y todo color de LED a color.Ya he construido un pequeño reloj binario de 12Hr y montado en una computadora, esto funcionó muy bien pero era realmen
Flotar una pelota de ping-pong en la voluntad!

Flotar una pelota de ping-pong en la voluntad!

¡ Hola!Siempre he estado fascinado por las cosas que están controladas de forma inalámbrica por movimientos de la mano que es probablemente porqué tengo una Wii ahora que estoy pensando. Pero yo realmente no he conseguido a cualquier control de movim
Ping Pong Ball espumoso

Ping Pong Ball espumoso

Poco de chispa.Paso 1: recoger Recoger una pelota de ping-pong y una caja o dos de las bombas de SpritePaso 2: Haga un agujero Crear un pequeño agujero en la bolaPaso 3: Colocar las bolas en Colocar las pequeñas bombas dentro dePaso 4: lanzar Usted p
Pistola de Ping Pong

Pistola de Ping Pong

esta es una muy divertida forma de jugar paintball sin toda la pintura. Estas pistolas son fáciles de hacer y requieren pocos materiales.Paso 1: Los materiales Necesita:-1 1/2 pulgadas ABS tubo (aproximadamente 18 pulgadas de largo)-botellín de agua
Tabla de personas: ping-pong público al aire libre

Tabla de personas: ping-pong público al aire libre

Este Instructable proporciona información e instrucciones para una mesa de ping-pong al aire libre que sirve también como una obra de arte y puede convertirse en un accesorio permanente en una acera, plaza o parque. Nuestra intención era proporcionar
Ping Pong Ball Launcher

Ping Pong Ball Launcher

Este Instructable le mostrará cómo convertir un soplador de hojas básicas en un lanzador de bolas de ping pong.(Ver Video)Empecé a desarmar la tubería de mi soplador de hojas.Usé un soplador de hojas eléctrico para que este proyecto puede ser utiliza
Ping Pong portátil

Ping Pong portátil

Ping Pong es un deporte, pero traer una mesa de ping-pong todo para jugarlo es inconveniente. Este instructable muestra cómo puede llevar mesa de ping pong en una bolsita.Paso 1: Materiales y herramientas Materiales2 vacío de papel higiénicoMalla de
¿Ping Pong bicicleta

¿Ping Pong bicicleta

no odias que cuando quiere pasar a un amigo a jugar ping pong no puede porque vive en un piso y no hay espacio para una mesa de ping pong? Sé que hacer.Aquí está la solución:Con la bicicleta de ping-pong (para la británica: wifwafcycle) finalmente pu
DIY mesa de Ping Pong

DIY mesa de Ping Pong

esta mesa de ping-pong DIY fácil está lista para usar en cuestión de minutos. Cuesta menos de $100 y las piernas son algo que cada propietario debe de todos modos!Nota: Esto no es una tabla de regulación. Esta tabla mide 4' x 8' frente a un cuadro de
5 cosas que hacer con una pelota de ping-pong

5 cosas que hacer con una pelota de ping-pong

por favor este Instructable y Sígueme para más cool guías paso a paso.Hecho por Manish KumarAsí que hoy habla 5 inusual que hacer con una pelota de ping-pong. Estas bolas de plástico muy barato y pueden ser utilizadas para los más más de usos. : P no
Motorized Ping Pong Ball Guns

Motorized Ping Pong Ball Guns

Este Instructable le mostrará cómo hacer una pistola de bola motorizada ping pong.  Estas pistolas de bolas de ping pong son un montón de diversión para construir, pero más divertido de rodar.  Hice esto como un regalo de Navidad para mi hijo.Luces L
Cómo.. Hacer magia Ping Pong mesa

Cómo.. Hacer magia Ping Pong mesa

Se trata de cómo hicimos nuestra primera mesa de ping-pong mágica! Es una mesa de sala de juntas que puede convertirse fácilmente en una mesa de ping pong! Esperamos que disfrute!Paso 1: Primero necesitas las piernas y la base. Hemos utilizado pino p