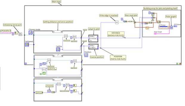
Paso 3: Software. ¿Main.VI & 'Edge'? SubVI



El archivo main.vi es también ' equipado ' (otra vez siento) con comentarios. Preguntar, si algo no está claro. El punto adicional sólo que he estado es que aspecto de predeterminado del gráfico no es que bonito :) He pasado mucho tiempo configurándolo.
En el diagrama de bloques del' ' usted puede encontrar un SubVI más: 'EDGE?'. Devuelve true, si entero de entrada es igual a 180 o 0 y false en caso contrario. En la parte superior del paso puede encontrar captura de pantalla del diagrama de bloques.