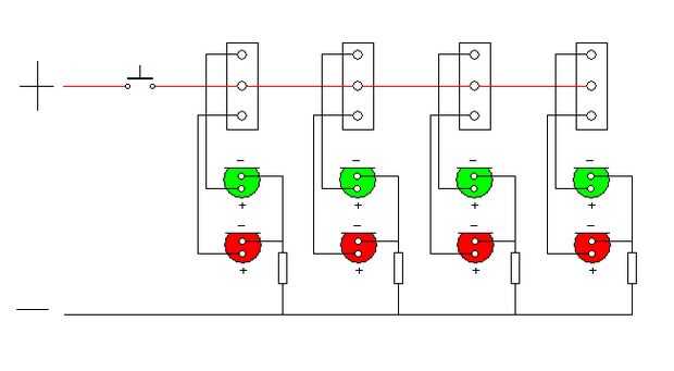
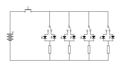
Paso 2: diagramas



Es bastante auto explicativo, pero voy a explicar para tontos como yo: el ánodo (polo positivo, rojo cable) obtiene fuera de soporte de la batería, primero se interrumpe por el pulsador, entonces va a todos los pines mediados de los interruptores. Cada pin del resto desde un interruptor está conectado con el extremo positivo (el ronda uno, pasador largo) uno conducido. Desde el pin negativo del LED va a la resistencia y de allí al cátodo (polo negativo) de soporte de la batería.