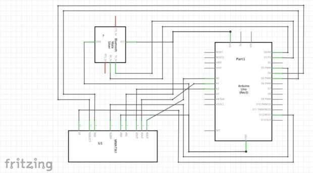
Paso 3: Configuración del circuito




Establecer los circuitos como se muestra en los diagramas anteriores. La imagen de Quadaccel fue colocado en la parte superior de la cabeza con el acelerometro (MMA7361) como se describe en el código de arduino y un módulo maestro bluetooth conectado. La imagen de Quad Zumo era el arduino conectado al blindaje del Zumo con el bluetooth solo esclavo conectado.