Paso 1: El circuito electrónico





Hardware
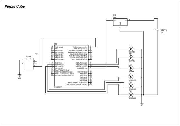
El circuito es simple. Consta de 6 LEDs, acelerómetro y el microcontrolador.
Componentes:
1 microchip PIC 16F917 (o cualquier microcontrolador de su elección)
1 ADXL206 de dispositivos analógicos (o cualquier acelerómetro de tu elección)
3 LEDs rojos
3 LEDs azules
1 zócalo de 40 pines
1 zócalo de 8 pines
1 batería de 9 voltios
1 conector de batería de 9 voltios
1 tablero de holes
Esquema
Como se muestra en el diagrama.
En primer lugar, usted necesita montar el circuito, de la soldadura de las piezas y el software que realiza todas las funciones del programa.
El programador es un circuito que construí yo mismo antes. El programador 16F917 usted puede encontrar en mi blog aquí. PicProm
Usted puede encontrar el programador en el siguiente instructivo: