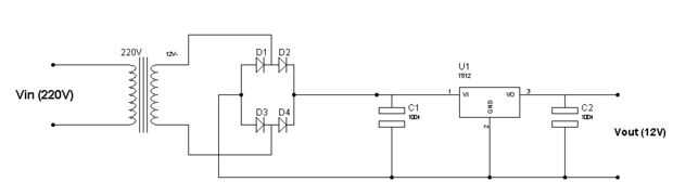
Paso 1: Esquemático e Componentes


1. Abaixamento de tensão
2. Retificação de onda completa
3. Nivelamento de tensão continua
Para montagem do protótipo, serão utilizados componentes de os seguintes:
• 1 transformador 220V-24V de 1A.
• 4 diodos 1N4007
• 2 capacitores de 100µF - 25V
• 1 circuito integrado LM7812
• 2 conectores para cabo flexível
• 1 plugue macho de tomada
• 1 plugue fêmea de tomada
• 1 placa de prototipagem (isla de placa)
• 1 cabo de 1,5 mm² de seção (o tamanho depende da sua fonte, 30 centímetros foram suficientes no caso de nosso)
• 1 caixa