Paso 4: Deja de tratar de

Ahora podemos utilizar el ejemplo como blink led
conectar led al pin 16 (PORTC.0) y tierra y uso USBASP para cargar el programa
todavía no entiendo por qué demora tomar tan largo, pero creo que porque uso cristal 12Mhz en el Arduino UNO con 16Mhz
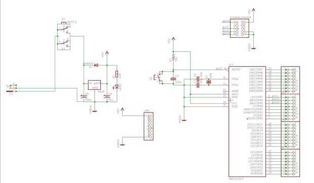
atribuyo mi esquema de Minimumsystem
lo siento por mi mala Inglés
hice este instructable desde este código Arduino Hardwarefun-uso de Microcontroladores AVR no Arduino
y realmente gracias a sudar′ como autor en el hardwarefun, Raka Fahriza como camarógrafo
Gracias por su atención