Paso 2: Y bewerken

























Aan de mano van tekeningen 2D uit het programma Siemens NX 9.0 kan je de piezas maken. Hieronder staan welke máquinas gebruikt worden om welk y te bewerken.
Chronologisch de Foto 2D
- Afstelblok
- Obstáculo 1 (elemento de Nettoyeur)
- Obstáculo 2 (elemento de Nettoyeur)
- Obstáculo 3 (Nettoyeur-elemento)
- S Metalen bevestigingsplaat (plaat verstelbare)
- Grote bevestigingsplaat
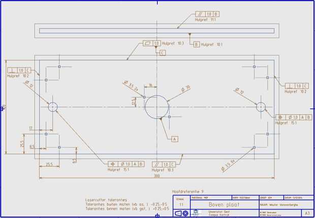
- Bovenplaat (Geraamte)
- Draadstang
- Gradenboog
- Klem 1
- 2 Klem
- 3 Klem
- 4 Klem
- Metaalplaat
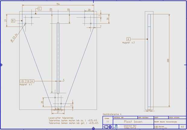
- Plaat boven (warmtehouder)
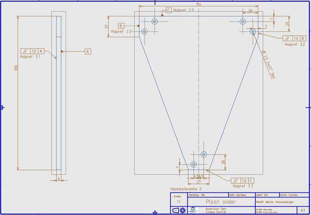
- Plaat onder (warmtehouder)
- Poten
- 2 poten (warmtehouder)
- Stang 1 (As)
- Stang 2 (Handvat)
- Verstelbare plaat
- Verstevigingsbalk
- Verstevigingsblok
Zaagmachines + boor
Gesch Hout 34 x 34:
- Geraamte: 4 x Poten
- Verstevigingsbalk
- 4 x Afstelblok
Gesch Hout 27 x 27:
- Nettoyeur-elemento: 3 Balken
- Warmtehouder: 6 x Poten2
Beuk Rond 30mm (1m):
- Hendel: Stang1
MULTIPLEX:
- Verstevigingsblok
- Klemmen 4
- Handvat
- Hendel: Stang2
- Afstelkaliber (zie descarga stap)
Cortador del laser
MDF:
- Bovenplaat
- Gradenboog
- Verstelbare plaat
- Warmtehouder: boven-en onderplaat
Lassen
- Vleugelmoer Gietijzer M12 Zn
- Aandrijfmoer M12
Metaalsnijder
- Draadstang M12
- S Metalen bevestigingsplaat