Probador de la batería de Linkit uno (2 / 4 paso)

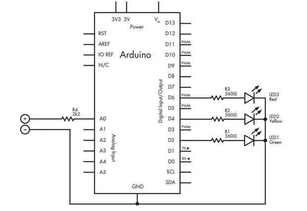
Paso 2: circuito

Seguir el circuito anterior es bastante sencillo y puede ser fácilmente montado en un protoboard. También agregar un resistor adecuado para los LEDs (no hizo eso porque estoy usando LEDs tolerante a 5V). Para los colores del LED utiliza

  • Rojo para indicar que la batería está baja
  • Verde para indicar que la batería está funcionando
  • Blanco para indicar que la batería está llena

Artículos Relacionados

Probador de la batería de Arduino Uno R3

Probador de la batería de Arduino Uno R3

Este sencillo proyecto se pretende ayudar a contestar la pregunta de toda la vida "Esta batería tiene cualquier jugo de izquierda?". Aunque está disminuyendo la popularidad de las baterías de célula (por ejemplo, AA, AAA, C y D de la célula), aú
SMS de alerta de carga de la batería de LinkIt uno

SMS de alerta de carga de la batería de LinkIt uno

En este Instructable, les mostraré cómo hacer una batería de LinkIt un SMS de alerta de carga. Un número de teléfono se guardarán en el bosquejo y que no se puede cambiar el serial monitor; tienes que cambiarlo y subir otra vez el código. La batería
Probador de la batería de Arduino Uno T-Rex

Probador de la batería de Arduino Uno T-Rex

Este instructable fue creado en cumplimiento de la exigencia de proyecto de la Makecourse de la Universidad de South Florida (www.makecourse.com)Hola y Bienvenidos a mi proyecto de Arduino Uno T-Rex probador de la batería. Este proyecto incluye tanto
Uso de la batería de Linkit uno

Uso de la batería de Linkit uno

BateríaPaso 1: materialesComputadoraLinkIT unoBateríaCable USBPaso 2: Linkit una bateríaLo genial de esta batería es que es recargable. También puede comprobar el estado de la batería a través de ordenadorPaso 3: Estado de la bateríaPara comprobar el
Carga de la batería de LinkIt uno

Carga de la batería de LinkIt uno

Parece haber un poco de confusión sobre la carga de la LinkIt una batería Li-, y que admitir que es bastante no intuitivo desde hace años que supe que nunca debe conectar dos fuentes de alimentación al mismo tiempo a un Arduino. Pero eso es exactamen
Cómo cargar la batería MediaTek LinkIt uno y compruebe el nivel de batería

Cómo cargar la batería MediaTek LinkIt uno y compruebe el nivel de batería

Una de mis cosas favoritas sobre el tablero un LinkIt es su batería. Es parte de lo que hace la Junta tan portátil y más capaces de realizar algunas proezas realmente comparados con un Arduino. Para cargar la batería, cambiar el interruptor de encend
Con un Motor de Linkit uno

Con un Motor de Linkit uno

Motores + Linkit unoPaso 1: materiales Motor (no tienes que comprar uno, consegui esto de un viejo coche de RC)AlambreIon de litio bateríaLinkIT unoPaso 2: conexionesPoner los cables en los agujeros 4 º y 6 º en la parte superior del Linkit. Enchufe
LinkIT uno: Dice

LinkIT uno: Dice

¿no sería divertido si juegas un juego con un dado electrónico? Esto puede ser una buena manera de impresionar a sus amigos o hacerlos celosos!El proyecto, como puede verse claramente en el cuadro de la cubierta utiliza la linkit Mediatek uno para su
LinkIT uno objeto evitando Robot

LinkIT uno objeto evitando Robot

Este i'ble se ocupa con objeto de evitar técnicas de linkit uno.Su simple para hacer un objeto evitando robot usando linkit uno. Primero conectarse linkit uno que conecte relé linkit uno HC-SR04 y finalmente Conecte ambos los motores al relé y la bat
LinkIt uno Ultimate IoT

LinkIt uno Ultimate IoT

Si siempre han sido a los Emiratos Árabes Unidos en el verano, probablemente sabrás sobre el calor allí. Pero cuando estás dentro, en tu casa o habitación, y el acondicionador de aire está encendido, no se siente el calor en todos.Ahora imagina que t
LinkIt uno tutoriales - #14 semáforos

LinkIt uno tutoriales - #14 semáforos

A veces en la electrónica tenemos un controlador especialmente diseñado a mano.En un apuro podemos programar un controlador diferente para emular el controlador deseado.Si queremos controlar un dispositivo que utiliza múltiples señales al mismo tiemp
Cómo hacer un probador de la batería de Arduino

Cómo hacer un probador de la batería de Arduino

Este proyecto de Arduino pondrá a prueba la tensión de una 1.5V batería.Paso 1: materialesAquí están los materiales necesitados para crear el probador de la batería:Arduino Uno2 LED amarillo1 LED rojo1 LED RGB4 resistencias de 330 ohmios9 cables (los
LinkIT uno: Recarga de la batería y poder comprueban

LinkIT uno: Recarga de la batería y poder comprueban

Las características de una batería de linkitPaso 1: materiales ComputadoraLinkIT unoBateríaCable USBPaso 2: Cómo cargarSimplemente conecte la batería en la esquina superior derecha y el interruptor para cargar la bateríaPaso 3: Duración de la batería
LinkIt uno - indicador de nivel de batería

LinkIt uno - indicador de nivel de batería

Como la mayoría de ustedes sabe el LinkIt uno es un dispositivo de IoT que puede conectarse a internet por WiFi. Esto hace fácil en cualquier lugar y cualquier dispositivo de control, pero el único nuevo es la batería. En la mayor parte de mi proyect