Paso 3: cableado






#01:Put el Arduino y protoboard espalda con espalda, luego atar junto con el cordón.
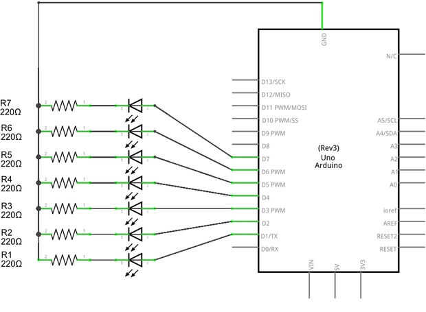
#02: poner los cables de jumper entre arduino y protoboard según el orden que se muestra en la imagen n º 2
#03: [opcional] alambre un 9v batterry a los terminales Vin y GND de la placa de Arduino para poder utilizar el proyecto sin el cable USB conectado a su ordenador portátil.













