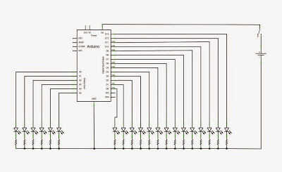
POV con Arduino Nano (2 / 5 paso)

Paso 2: Diagrama del circuito

El circuito original estaba para 20LEDs, pero en mi PCB tenía espacio sólo para el 19-5 m m LED

Mismo que ajusté en el código

Artículos Relacionados

Parpadeo LED con Arduino Nano

Parpadeo LED con Arduino Nano

Hola amigos,Ver un LED que parpadea es muy divertido, pero cuando haces uno como el que por ti mismo entonces la diversión es aún más. ^_^Así, que la diversión comience,En este instructable, he mostrado cómo a parpadear un LED con Arduino Nano.Nota:
Interfaz TMP-112 con Arduino nano (I2C)

Interfaz TMP-112 con Arduino nano (I2C)

Hola,Bueno saludos..!!I (Somanshu Choudhary) en nombre de empresas de tecnología Dcube va a medir la temperatura con Arduino nano, es una de las aplicaciones del protocolo I2C para leer los datos analógicos de temperatura Sensor TMP-112.Paso 1: Resum
Barrer el motor servo con Arduino Nano

Barrer el motor servo con Arduino Nano

Hola amigos.En este instructable, he mostrado cómo barrer un servo motor con Arduino Nano.Generalmente el motor servo es utilizado donde es baja velocidad pero con un alto esfuerzo de torsión es necesaria. Este trabajo puede hacerse también por un mo
Interfaz de BMG160 de Sensor giroscopio de 3 ejes con Arduino Nano

Interfaz de BMG160 de Sensor giroscopio de 3 ejes con Arduino Nano

En el mundo de hoy, más de la mitad de los jóvenes y los niños son aficionada a juegos de azar y todos aquellos que gustan de él, fascinado por los aspectos técnicos del juego sabe la importancia de la detección de movimiento en este dominio. Nos sor
Ventilador de baño automático con Arduino Nano

Ventilador de baño automático con Arduino Nano

¿Conoces ese sentimiento molesto cuando tienes que salir de la cama para apagar el ventilador del cuarto de baño? ¿Una que usted debe encender ya que de lo contrario todo húmedo y mohoso finalmente en su lugar? Bien, usted puede olvidarse de que ahor
Interfaz ADC121C con Arduino nano(I2C)

Interfaz ADC121C con Arduino nano(I2C)

Hola,Bueno saludos..!!Hoy me (Somanshu Choudhary) en nombre de empresas de tecnología Dcube va ADC121C dispositivo usando Arduino, es una de las aplicaciones del protocolo I2C para leer los datos analógicos a través de Arduino.Paso 1: ResumenADC121C0
Cilindro POV con Arduino

Cilindro POV con Arduino

El cilindro de POV muestra imágenes GIF animados en un cilindro rotatorio. Las imágenes GIF pueden descargarse desde un PC vía Bluetooth.IntroducciónEl año pasado decidí empezar mi primer proyecto de Arduino. Mi trabajo está inspirado en varios proye
Control De Motor paso a paso con Arduino nano

Control De Motor paso a paso con Arduino nano

Aquí les dejo un proyecto surgio a causa de mis ansias de hacer mi propia taladradora CNC pero luego obtuve mi Arduino debía aprender a controlar de forma básica los motores paso a paso!! Aquí podrán ver el resultado de mi primera prueba.MATERIALES:1
Arduino Nano y Visuino: 7 segmentos Display Clock con el MAX7219 y DS1307 en tiempo Real Clock(RTC)

Arduino Nano y Visuino: 7 segmentos Display Clock con el MAX7219 y DS1307 en tiempo Real Clock(RTC)

Reloj de tiempo Real DS1307 son módulos de RTC I2C de bajo costo ampliamente disponibles. Vienen con un reloj y una pequeña batería y cuando esté conectado a Arduino, puede realizar un seguimiento de tiempo real incluso cuando no se alimenta la placa
Arduino Nano y Visuino: Control de Motor paso a paso con los botones

Arduino Nano y Visuino: Control de Motor paso a paso con los botones

Motores paso a paso se utilizan en proyectos de Arduino, cuando algo necesita ser movido o dado vuelta. En este Instructable, les mostraré lo fácil que es conectar el Motor de paso a paso con Arduino Nano y controlar con los botones.Tenga en cuenta q
Escáner Rgb Led Pwm lámpara controlada por Arduino Nano

Escáner Rgb Led Pwm lámpara controlada por Arduino Nano

Reciclado escáner rgb led lámpara pwm controlado por Arduino NanoPaso 1: Resultado FinalEsto es lo que obtienes si sigues este instructable.Paso 2: Buscar una impresoraBusque un hp roto todo en una impresora. (Otras marcas también pueden tener las pi
Arduino Nano + suelo humedad Sensor + LCD

Arduino Nano + suelo humedad Sensor + LCD

Podemos utilizar el sensor de humedad del suelo con arduino nano y Mostrar datos en un 2 x 16 lcd. Vamos a empezar...Paso 1: Añadir 2 X 16 LCD con Arduino NanoRS = 12R/W = tierraHABILITAR = 11LCD D4 = 9LCD D5 = 8LCD D6 = 7LCD D7 = 6Puedes ver otras c
Motorizados, sonido reaccionando Star Wars en el St modelo de Bandai, con Arduino.

Motorizados, sonido reaccionando Star Wars en el St modelo de Bandai, con Arduino.

Hecho de Star Wars en el St modelo de Bandai.Reacciona al sonido y vuelve su cabeza hacia ella.Hecho con Arduino Nano, un elemento personalizado de 3dprinted, micrófonos, micro servo.Este instructivo está hecho para compartir las modificaciones neces
Arduino Nano Arduino Uno adaptador

Arduino Nano Arduino Uno adaptador

Arduino Nano es bonito, pequeño y barato miembro de la familia de Arduino. Se basa en el chip Atmega328, lo que la hace tan potente como el más grande su hermano Arduino Uno, pero se puede obtener por menos dinero. En Ebay se pueden comprar versiones