Poste-apocalíptico respirador (4 / 6 paso)

Paso 4: Conecte los componentes electrónicos

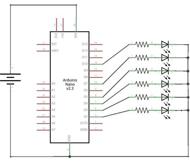
  1. La soldadura de las patas para Arduino si es necesario.
  2. Poner el Arduino en el centro de la perfboard. Soldar unas patas para Arduino a permanecer firme.
  3. Planificar y colocar todas las resistencias. Debe haber suficiente espacio para los cables de tierra y control. Intente colocar las resistencias como lejos de Arduino como sea posible. Poner una pata del resistor al siguiente hoyo de ánodo de LED (+) (pata más larga) para que sea fácil de soldar las piernas entre sí. Doblar las piernas de resistencias para que no caigan.
  4. Soldar los LEDs, resistencias, cables de control y los cables de tierra uno por uno. Los cables de control seleccione pines de Arduino D2 a D12. No importa que cable del LED va a que pin de aquellos porque podemos establecerlas en el código luego.
  5. Clip de la batería de la soldadura.

Artículos Relacionados

Amplificador post-apocalíptico

Amplificador post-apocalíptico

En el caso de un evento apocalíptico y no tienen un amplificador porque Immortan Joe tomó todos los amplificadores, entonces usted necesita saber cómo construir tú mismo un amplificador!En este Instructable, te guiará en el proceso de construir un am
Impermeable, BOOMbox Solar también conocido como: Post apocalíptico de alimentación

Impermeable, BOOMbox Solar también conocido como: Post apocalíptico de alimentación

este proyecto fue inspirado por la construcción de un amigo. Se hace para circunstancias extremas como rafting en aguas bravas y después de la debacle de nuestra red eléctrica. Estoy bastante seguro de que podría lanzar esta cosa fuera de un acantila
Mi arma punk post apocalíptico de vapor

Mi arma punk post apocalíptico de vapor

esta de un arma de mano bueno es llamado el ángel de bronce. el razonamiento detrás del nombre es, durante la prueba científica y los militares del mundo post era crear un arma de fuego. Un arma tan poderoso que podría diezmar a un ángel con una ráfa
Post apocalíptico renegado

Post apocalíptico renegado

este es un disfraz muy fácil tirar juntos. Por suerte mi hijo y yo son casi el mismo tamaño así que él podría usarlo noche del pasado sábado, y puedo usarlo para trabajar en el futuro y a él otra vez mañana por la noche. Es fácil hacer piezas si tien
Post apocalíptico Harry Potter traje

Post apocalíptico Harry Potter traje

que estoy obsesionada con Harry Potter pero no quiero hacer otro traje de mago tradicional. También me gusta la mirada sucia que Dieselpunk nos da para que mezclan los dos. Yo estoy entrando en esto en el concurso de disfraces de Halloween así que po
Guías útiles para la supervivencia de la adquisición de poste-apocalíptico mundo de gobierno

Guías útiles para la supervivencia de la adquisición de poste-apocalíptico mundo de gobierno

este instructable describirá varios libros útiles para un mundo post Apocalipsis o de un país tomado por un dictador. También dará indicaciones que necesitas para empezar a prepararse para tal evento.Paso 1: Señales de advertencia Situación A: el día
Cómo hacer un simple juego post-apocalíptico en Blender

Cómo hacer un simple juego post-apocalíptico en Blender

En este tutorial voy a mostrarte cómo hacer un personaje que encarnas y un enemigo. También vamos a utilizar el arma que he añadido un archivo al final el enemigo. Cuando termine este proyecto debe tener un carácter básico que puede 1. caminar hacia
Post apocalíptico gafas graduadas (actualizado)

Post apocalíptico gafas graduadas (actualizado)

por lo que usted está hacia fuera en el desierto, o centro para el caso, y pasa lo impensable. Tus gafas destruidas, perdidas o lo contrario inutilizó. ¿Qué hacer, seguramente usted no puede sobrevivir y prosperar sin ser capaces de ver claramente?Af
Post apocalíptico Junta uñas

Post apocalíptico Junta uñas

así que hice un tablero de clavo, primo el bate de clavos, con un poco de inspiración de Fallout 3 y New Vegas. Es fácil de hacer, peligroso y amenazante mirada. No hace falta decirlo, tenga cuidado alrededor de ella.
Easy Post apocalíptico Horror casa personaje. O un traje de muerto sobreviviente Simple caminar.

Easy Post apocalíptico Horror casa personaje. O un traje de muerto sobreviviente Simple caminar.

En este instructable (mi primer publicar) mostrará mi traje para la temporada 2013. Para ser honesto esto era más un disfraz de última hora con mi equipo de larp.Paso 1: A partir de las piernas. Si usted está queriendo esto parece exactaly mina igual
Top post apocalíptico utiliza para Twinkies

Top post apocalíptico utiliza para Twinkies

Mi nombre es Bart Lewalski, último conocido humanos vivos. He estado viviendo en este aquí búnker desde 1952, trabado lejos el páramo nuclear se ha convertido en el mundo. La mayoría de los alimentos que se almacenan lejos ha sido comido o ido mal. T
Post apocalíptica linterna

Post apocalíptica linterna

Cómo hice mi post apocalíptico linterna. Ideal para la decoración del estante y apoyos de la película.Paso 1: materialesSe necesita:acoplamiento de PVC de 4 pulgadasvarilla roscada de la pulgada del 1/4 x 201/4 x 20 tuercasZócalo del bulbo de luz de
Sobrevivir un apocalíptico de EMP

Sobrevivir un apocalíptico de EMP

Se habla sobre apocalíptico, colapso de la economía, ataque nuclear e incluso una toma de posesión de zombie. Lo que no está cubierto por la mayoría de las personas es la amenaza de un ataque EMP. Hay gente de nivel superior en el Gobierno que advier
Cómo hacer un botiquín de primeros auxilios para los apocalípticos tiempos

Cómo hacer un botiquín de primeros auxilios para los apocalípticos tiempos

se trata de cómo hacer un botiquín de primeros auxilios en los tiempos apocalípticos. DISFRUTAR Y PLS VOTEN Y COMOPaso 1: Reunir algunas de las fuentes Necesita (que nunca es necesario): par de guantes, curitas surtidas, almohadilla de preparación al