Paso 5: El circuito electrónico.


Aquí es donde vienen los transistores, resistencias, condensadores y LM7805. Esto construí sobre un trozo de tablero de vero y había asegurado en su lugar con los otros componentes electrónicos.
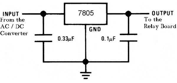
Una vez construido este toma el DC de la energía de la CA a CC y regula a 5V de la placa de relé mediante el LM7805.
El Raspberry Pi controla los transistores que a su vez controlan los relés.













