Placa de interfaz de relé de 8 canales (3 / 5 paso)

Paso 3: esquema

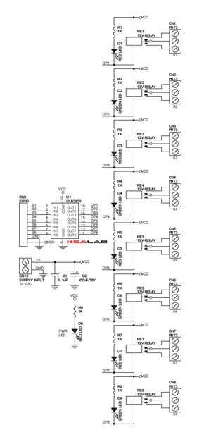
Aquí el esquema es viejo módulo en este manual de reparacion fuente de CA no editar

Artículos Relacionados

Web base, frambuesa pi controlada, caja de control de red de relé de 2 canales.

Web base, frambuesa pi controlada, caja de control de red de relé de 2 canales.

Con los relés de estante y algunos componentes de electrónica básica juntados con una frambuesa pi básico HTML, PHP y javascript programación, este cuadro de control de relé basado en la Web puede utilizarse para activar o desactivar los dispositivos
Tablero de Control de relé de 8 canales con comunicación Serial

Tablero de Control de relé de 8 canales con comunicación Serial

Este es un proyecto que hice hace algún tiempo durante la escuela de pregrado. Es un poco vieja, pero todavía vale la pena compartir.El proyecto es sobre un PCB con 8 relés que están controlados por un microcontrolador, que recibe órdenes desde un PC
Arduino MEGA 2560 domótica con relé de 8 canales

Arduino MEGA 2560 domótica con relé de 8 canales

Compruebe las páginas siguientes para el esquema y el código.Paso 1: El esquema Aquí puede ver el esquema.Debe ser muy fácil de entender.Simplemente se conectan como se muestra en el esquema.Paso 2: El códigoNecesita incluir las librerías de Ethernet
La placa de controlador de relé simple para Arduino, PIC, TTL, etc....

La placa de controlador de relé simple para Arduino, PIC, TTL, etc....

Hi all!Gracias por tener un vistazo. Este es mi primer video instructivo, así que espero que os gustan! Un montón de tiempo y detalle fue en la realización del video. Este instructable es para un circuito de controlador de relé muy simple que se pued
Abrelatas de la puerta del garage

Abrelatas de la puerta del garage

Utilice un Raspberry Pi y un smartphone (o portátil) para abrir, cerrar y controlar una puerta de garaje. Asegúrese de abrir y cerrar la puerta de segura mediante el uso de certificados autofirmados instalados en los teléfonos móviles de miembros de
Alimentador automático de leche

Alimentador automático de leche

cuando nacen cachorros están envueltos en un saco transparente llamado la membrana amniótica. Esta membrana debe eliminarse de la cara del cachorro para que pueda respirar.Una vez que se borra se iniciará hacia su madre,Leche primer sobre:-el calostr
Reloj de la multitud

Reloj de la multitud

El reloj de la manada utiliza aves beber hombres y mujeres para mostrar la hora.  Suma binaria de los pájaros femeninos (de izquierda a derecha) da la hora.  Suma binaria de los pájaros masculinos (multiplicado por cinco) produce el minuto--dentro de
Luces de Navidad usando 8 canales relé con arduino

Luces de Navidad usando 8 canales relé con arduino

Tengo 16 años de viejo así que no son que amplia mis conocimientos sobre estos relés para otro instructivo para realizar investigaciones más haga clic aquí.O usted podría sacar de mi blog donde publico algunos de mis mejores proyectos!Este proyecto p
Arduino - acceso código protegido 4 canal de relé con teclado de 4 x 4

Arduino - acceso código protegido 4 canal de relé con teclado de 4 x 4

¡ Hola mundo! Este código se hace para poner un código de acceso/contraseña en sus máquinas «peligrosas» en el garaje/lugar de trabajo (por ejemplo). Para proteger a sus hijos del peligro que puede acechar en su garaje, sin el código no puede ser enc
Relé de canal Arduino 2

Relé de canal Arduino 2

Este instructable es para conectar tu Arduino con un módulo de relé de 2 canales y utilizando su bosquejo para el control de los interruptores.Compré el 2 módulo de relés en eBay (por $9,50) para conducir un par de piezas de 240V (una aspiradora y un
Placa de relé de I2C

Placa de relé de I2C

Relés son una de las interfaces más comunes entre un microcontrolador y el mundo exterior. Proporciona aislamiento eléctrico entre los circuitos de baja tensión del micro controlador y las cargas.Por qué esta divertida placa de relé de I2C, podría pr
Web controladas 8 canales Powerstrip

Web controladas 8 canales Powerstrip

saludos, compañeros entusiastas de Raspberry Pi.  Estamos a punto de crear un gadget multiuso que le impresionará!  Mi razón principal para la construcción de este para controlar mis luces de Navidad, sino es sólo uno de muchos posibles usos.  Básica
OpenHab en control de relé de fotón partícula Pi

OpenHab en control de relé de fotón partícula Pi

En este artículo va a correr OpenHab que es un software libre de automatización del hogar en un Raspberry Pi. Utilicé un modelo frambuesa Pi B ejecutando Raspbian pero este artículo debería funcionar como está ejecutando Linux en una Rapberry Pi.Tamb
Relés de control con una aplicación para Android personalizada!!!!

Relés de control con una aplicación para Android personalizada!!!!

Aquí se trata de un proyecto final que hice para mi clase de micro controlador en mi colegio local.Su una placa de relé de 4 canales que se controla mediante un dispositivo Bluetooth, así como una aplicación android para una sencilla interfaz para el