Paso 2: Material eléctrico



Primero soldar el conector macho batería a la batería y aislar las conexiones utilizando a cualquiera eléctrico retráctil de cinta o calor.
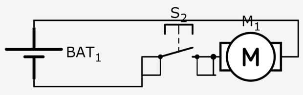
Junto a hacer la placa de circuito he proporcionado un diagrama del circuito y un cierre para arriba del circuito real para ayudar a construirlo. Es simplemente un interruptor desglose tan no complicado. Una vez listo se conectan a la batería y ver si funciona.