Paso 3: Todos los ingredientes


Interfaz de usuario primero.
Hemos decidido que queremos dos botones y una pantalla. La pantalla le mostrará la temperatura deseada, la temperatura y el estado de la bomba de calor (es decir, apagado, frío o calor). Entrada de usuario sería mediante dos pulsadores momentáneos. Uno de ellos sería aumentar la temperatura deseada por una pequeña cantidad, digamos un décimo de un grado, cada vez se presiona, y el otro lo disminuiría en el mismo sentido, con cada pulsación.
Termómetro
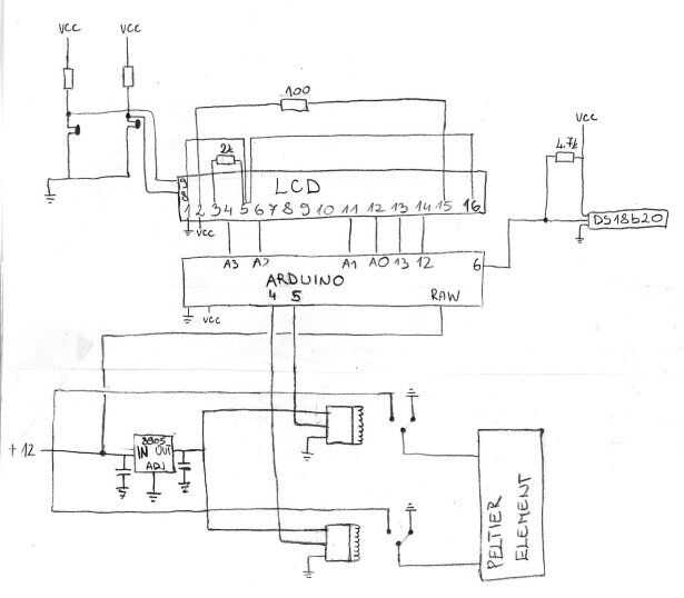
No hay nada como la simplicidad y la robustez de un DS18B20. Espero que le dieron que Dallas chico una buena palmadita en la espalda cuando él la inventó. La conexión, incluyendo la 4 k 7 pullup, es como se muestra en los esquemas.
Conexiones de la LCD.
De la conmutación.
Energía.
Los cuatro cables que consiguieran de las entrañas de la cámara en el paso anterior proporcionará una fuente libre 12V para la placa Arduino si conectado al pin RAW. El regulador a bordo proporcionará energía de 5V en el pin VCC para el termómetro y para la pantalla LCD. Accionar los relés es un tema aparte porque necesita hasta 85mA cada uno, mientras que el Consejo Regulador sólo puede proporcionar unos 150 mA de la corriente, de los cuales 30-100 mA se utiliza a bordo ya. Por esta razón, incluimos un 7805 independientes con sus dos tapas de desacoplamiento para proporcionar energía para los relés.
Podemos utilizar 2 relés para el control de la dirección actual. Con relé
interruptor eléctricamente entre dos opciones, en nuestro caso cambiamos entre 12V y masa. Tiene 3 entradas, tierra, Vcc (5V) y la señal de la placa arduino que dice relay que opción elegir. Con dos relés tenemos 4 combinaciones. Opción en la que no corriente es cuando ambos lados del elemento Peltier están en el mismo potencial (0V o 12V). Si tenemos en una parte de la tierra y en la de 12 voltios la corriente fluye y de en qué lado es mayor tensión depende la dirección de la corriente.
Tenemos dos botones para ajuste de temperatura, 2 relés y un sensor de temperatura para la lectura de temperatura de la cámara y un regulador de voltaje. Ponemos todos los pedazos juntos siguientes el bosquejo que surgieron durante el programa y pruebas de cámara.