Pequeña radio FM (2 / 3 paso)

Paso 2: El diseño

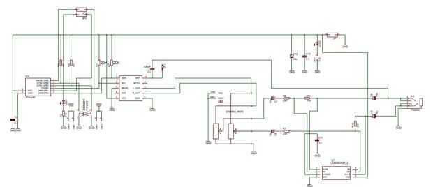
El circuito de la radio FM se presenta en el cuadro. Puede verse que el esquema es muy simple. El amplificador de audio requiere sólo unos pocos componentes adicionales. Las resistencias R4 y R5 se pueden omitir porque el pull-up interna que se activan. El potenciómetro stereo es de ebay. El jack de audio también. Los condensadores electrolíticos son de tantalio de "Kemet". Los archivos gerber del PCB están disponibles para descargar ("Player.zip").

Artículos Relacionados

Arduino controla pequeña radio FM

Arduino controla pequeña radio FM

Hoy en día, gracias a la continuamente creciente nivel de integración del sistema de las fichas, la fabricación de dispositivos electrónicos de alta calidad, se convierte en fácil como juego de niños. Otro factor que ayuda a esto es la proliferación
Receptor de radio FM RTL-SDR con compañero de la Radio de GNU

Receptor de radio FM RTL-SDR con compañero de la Radio de GNU

RTL-DEG es actualmente muy popular tema en la red. También hay muchas guías sobre cómo utilizar Windows y Linux también. Pero empezar a usar yo no he encontrado a ninguna guía que explica todo el proceso de instalación de software y controladores nec
Convertir cualquier Radio en un amplificador de guitarra

Convertir cualquier Radio en un amplificador de guitarra

Convertir cualquier radio en un amplificador de guitarra.Este es probablemente uno de mis cortes favoritos que he alguna vez tropezó! Es tan simple que cualquiera con un soldador y un destornillador puede hacerlo.Todas las radios tienen un amplificad
Río Radio flotante estéreo que mece!

Río Radio flotante estéreo que mece!

Unos años atrás un amigo me querido construir un flotante estéreo para su anual viaje de río lento. No tenemos los fondos en el momento pero desde que he abierto una tienda de instalación estéreo he conseguido acceso a toneladas de baratos y piezas d
Radio Solar de emergencia de $3

Radio Solar de emergencia de $3

En honor a mis buenos amigos aún más en Japón, he decidido crear un Instructable para un Radio Solar de emergencia de $3. Es una gran cosa en caso de tsunami, fusión nuclear abajo o invasión zombie. Además de que es realmente lindo cuando se ponen en
Escuchar onda corta las emisiones en una AM Radio

Escuchar onda corta las emisiones en una AM Radio

el radio mayor es mi receptor onda corta Sangean ATS-803A. La radio más pequeña en el primer plano es una radio alarma AM/FM de viajes desde la década de 1980. He convertido para recibir frecuencias de onda corta entre 4 y 9 MHz y utilizarlo de esa m
IPad Mini Tivoli Radio Dock

IPad Mini Tivoli Radio Dock

el otro día me di cuenta de mi antiguo Tivoli radio en el garaje me y se dio cuenta de que podría y debería reutilizar. Mi nuevo iPad Mini necesitaba un muelle y el tamaño de la Mini era gratuito el Tivoli pensé de una manera para los dos formar una
Moneda Radio: una radio de hacking

Moneda Radio: una radio de hacking

Radio de la moneda es una divertida y emocionante de radio diseñado para niños.  Está diseñado como una forma de novedad de interactuar con la radio en comparación con el diseño de la radio tradicional. El niño se inserte una moneda en la parte super
Radio latidos: Hacking un radio para viajar diseñador y hombre de negocios.

Radio latidos: Hacking un radio para viajar diseñador y hombre de negocios.

Beats by Dr Dre traen música de alta calidad a través de auriculares muy cómodos. Radio latidos trae esta misma calidad de la música sino a través de todos los canales de radio favoritos. El radio es pequeño y compacto y puede ser transportado a trav
Nave espacial para niños capaz de pliegue de cartón

Nave espacial para niños capaz de pliegue de cartón

un día en el trabajo tenemos recibió una entrega de algunos artículos en dos cajas grandes, así que he decidido hacer una nave espacial para niño de mi amigo y tomó las casa de cajas vacías. Yo estaba realmente entusiasmado con este pequeño proyecto
3D marco de DDR para PS2

3D marco de DDR para PS2

este es un marco de 3 dimensiones para el juego Dance Dance Revolution (DDR) en la Playstation 2 de Sony. Las almohadillas son modificables y se pueden utilizar para otros juegos también. Yo quería crear algo para que los niños de mi clase de Taekwon
Cómo hacer un cuchillo plegable de la cerradura del trazador de líneas

Cómo hacer un cuchillo plegable de la cerradura del trazador de líneas

yo he publicado un instructivo sobre cómo hacer un cuchillo de hoja fija. Será útil leer esto primero, porque en este instructable, que no voy a entrar sobre los pasos otra vez, pero sólo centrarse en los matices con la creación de un cuchillo plegab
Tablero de corte de herencia

Tablero de corte de herencia

Estaba buscando una idea de regalo para una boda próxima. Quería hacer algo un poco personal con algún apego familiar. Pensé que una tabla de cortar sea buena sobre todo porque tenía algo de madera de un granero de la granja de su abuelo gran gran. E
Desastres: Paquete de comunicaciones

Desastres: Paquete de comunicaciones

Autosuficiencia es bien, pero si quieres vivir con alguna semblanza de normalidad después de una catástrofe imprevista; comunicación, es clave.Tyler Durden quiere hacer creer: "jabón: es el criterio de la civilización," y al mismo tiempo que se