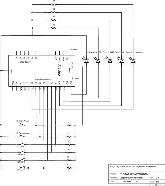
Paso 3: Deje que a comience el cableado


El software no contiene un modelo para cada posible componente y no he progresado hasta el punto donde puedo crear una nueva. En consecuencia, el modelo de interruptor está destinado a ser montado en una tarjeta de circuito impreso o protoboard, no colgado en el aire o montado en un chasis en algún lugar. También tiene una característica de diseño de tablero de PC que me estoy empezando a acostumbrarse, pero no han dominado.
Si usted sigue el diseño de protoboard, comprobando con el esquema, podrás subir el sketch de Arduino más abajo y, después de la instalación, vea el reproductor en modo chase se iluminan.