Paso 4: Normalizar la entrada y salida




Entrada
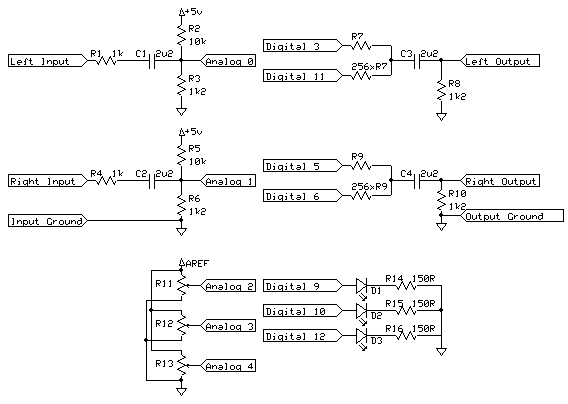
Este es el único "truco" cuando se trata de hardware para este sistema. Audio ocurre como una señal de AC de -1 V + 1 V, pero las entradas analógicas en el funcionamiento de Arduino de 0 V (tierra) a un voltaje positivo llamado la Referencia analógica (5 V por defecto). Puede especificar este voltaje positivo en el código o con una referencia externa.
Puesto que -1 V a + 1 V es una gama de V 2, algo más pequeño que 2 V elegiremos para nuestro valor de referencia analógica. Resulta 1.1 V se especifica como referencia interna incorporada, que funciona muy bien.
Desde aquí tenemos que normalizar la V -1 a + 1 V 0 V 1.1 V. Lo hice usando un resistor en serie seguida de un circuito divisor de tensión. Una guitarra no puede conducir directamente este circuito, necesita un preamplificador (como otro pedal) para manejarlo. Estoy seguro que podrías añadir un preamplificador de transistor o op-amp a la Junta de perf así podría conectar directamente en el pedal.
Salida
Para la salida, vamos a estar usando PWM. Con algunos hacks bajo niveles en el software, usted puede conseguir un PWM de 8 bits corriendo a 62 kHz = 16 MHz / 28
Hay algunos otros métodos de salida de audio de la Arduino. Una buena descripción puede encontrarse en el hobby de la uC. Consiguió unos grandes resultados de un DAC R2R, pero considerando que necesita alrededor de 40 resistores para salida estéreo de 10 bits, he decidido contra él. En su lugar fui con la técnica de pasadores ponderadas , que es como un cruce entre PWM estándar y una escala de resistencia.
Construir el circuito
He construido dos de cada circuito de una tarjeta de perf. Tenía una franja de tierra abajo al centro que ayudó a organizar cosas tan cuidadosamente como sea posible. La primera vez que construí el circuito era demasiado alto y no cabía en el recinto, así que tuve que construir otra vez.
Cuando tienes condensadores en serie como esta, se cortaron algunos de sus bajas frecuencias. Con un capacitor de 2,2 uF, es bastante baja así que realmente no afecta a sonidos en nuestro rango de audición. Cuanto mayor sea el valor, mejor; pero los condensadores tienden a ser físicamente más grande a medida que aumenta su valor.