Paso 2: Elctronico para arriba!

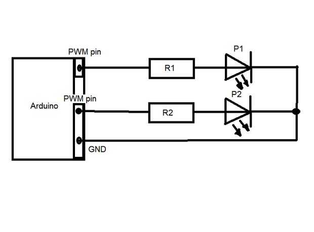
Ahora conecte la segunda "pata" de la resistencia al ánodo del LED "(pata larga del)
Luego conectar el cátodo ("pata corta") del LED a tierra (GND) en la placa Arduino.
Repita este paso para cada LED que desea utilizar.
Una vez finalizado el cableado, continúe al siguiente paso!