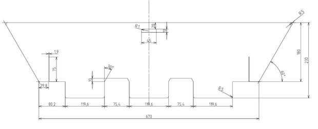
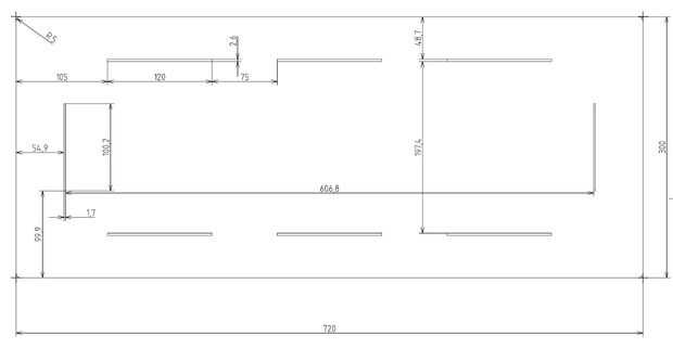
Paso 2: dibujos







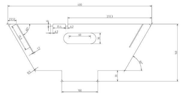
Mi parrilla de cocción es de 60cm de largo y 20cm de ancho (60 x 20). Utilizar estas mediciones para crear mi placa horizontal. Como se puede ver en la imagen, la distancia entre los cortes son alrededor de 600mm y 200mm. Tengo estas medidas correcta dibujando todo en computadora.
Si te fijas bien puedes ver que los recortes son más grandes que las piezas que van a través de ellos.
Al lado hay 2 pequeños recortes, éstos fueron colocados para encajar los mangos de mi parrilla de cocción. Si usa una parrilla de cocción sin asas que se puede simplemente ignorar estos.
He subido 3 archivos DXF. Estos pueden usarse para cortar las placas.