Panorama motorizado y timelapse pan tilt sytem (2 / 5 paso)

Paso 2: controlador

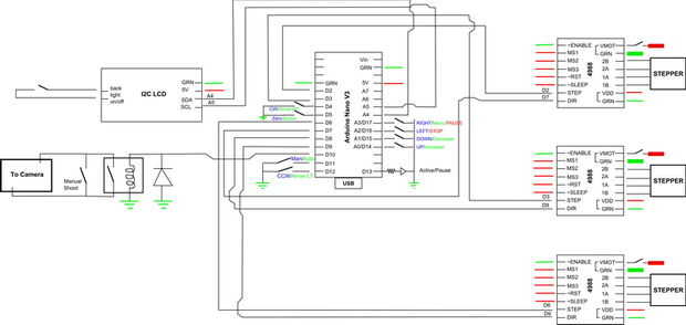
Los dos motores PAP es controlados por un Arduino nano y dos A4988.

Un A4988 adicional es ahorrado para el regulador.

Y el obturador de la cámara es controlado por un relé de bobina pequeña.

Artículos Relacionados

Brazo de la horca del rodamiento de bolas con Pan & Tilt motorizado

Brazo de la horca del rodamiento de bolas con Pan & Tilt motorizado

actualización septiembre de 2013: lo que empezó como un hobby se ha convertido en algo bastante serio.  Estamos preparando el lanzamiento de una plataforma de código abierto control de movimiento cinemático.  Si usted quiere estar en el futuro de la
Montaje Video DIY motorizada Pan/Tilt/Dolly HDSLR (resbalador de la cámara)

Montaje Video DIY motorizada Pan/Tilt/Dolly HDSLR (resbalador de la cámara)

Montaje de bricolaje motorizada Pan/Tilt/Dolly HDSLR Video de Brad Justinen on Vimeo.Actualización de septiembre de 2013: lo que empezó como un hobby se ha convertido en algo bastante serio.  Estamos preparando el lanzamiento de una plataforma de cód
3D iPad impreso Pan Tilt Mount

3D iPad impreso Pan Tilt Mount

Actualmente soy un estudiante de pregrado de ingeniería eléctrica en Universidad Estatal de Washington. En nuestro último año, completamos un curso llamado diseño senior. Para mi proyecto de diseño senior nos encargó con la creación de un dispositivo
Hackear una WiFi Pan-Tilt cámara $30 - control de Video, Audio y Motor con Python

Hackear una WiFi Pan-Tilt cámara $30 - control de Video, Audio y Motor con Python

En este Instructable, usted aprenderá cómo interceptar los video, micrófono y controles de lo $30 Kaicong SIP1602 inalámbrica pan-tilt cámara en Windows, Linux o OSX! Todo se enrolla cuidadosamente en secuencias de comandos de python; puede utilizar
Videocámara Pan & Tilt...

Videocámara Pan & Tilt...

Muy bien, así que desea imprimir su propio Pan & Tilt (giro e inclinación para su videocámara) o GoPro para colgar para seguridad o para colgar en un flyer de R/C que alcance el área como un militar helicóptero UAV o noticias 4...Aquí es un diseño de
Pan Tilt controlado por el teléfono celular

Pan Tilt controlado por el teléfono celular

Hola a todos,En este mi nuevo proyecto voy a introducir a usted una inclinación controlada por teléfono celular.Todos los movimientos del teléfono celular se reproducen en el dispositivo de inclinación a través de Bluetooth.La construcción es muy sim
Actobotics de pan & tilt de la cámara de seguridad con Arduino

Actobotics de pan & tilt de la cámara de seguridad con Arduino

Hola a todosSe trata de un pan & tilt seguridad cámara proyecto ServocIty/Actobotics pan & tilt sistema. Usar el sistema para vigilar mi casa y la cámara web está conectada a un pc. Este proyecto combina robótica (Servocity), software abierto y ha
Edificio 3D impreso Pan Tilt caso para una frambuesa Pi

Edificio 3D impreso Pan Tilt caso para una frambuesa Pi

Este instructivo describe la construcción de un caso para un Pi de frambuesa que incorpora un conjunto de pan-tilt de la cámara de Pi.Mi objetivo fue diseñar un caso para imprimir 3D que comprendería perfectamente la frambuesa Pi mientras que también
Webcam remota pan/tilt

Webcam remota pan/tilt

Este fue un proyecto simple que hice para ver remotamente la cámara web de mi sala de estar y ser capaz de moverse y diversión. Decidí hacerlo, lamentablemente, porque he tenido compañeras que no confío.La necesidad es la madre de la invención, supon
ImpBot: un Robot eléctrico de Imp Pan-Tilt

ImpBot: un Robot eléctrico de Imp Pan-Tilt

con controlBox, tienes un gran dispositivo de entrada básico empujar datos al planificador eléctrico Imp (y por lo tanto a internet en general, vía HTTP a nodo), pero ¿qué pasa con los dispositivos de salida? Control de luces es un buen truco, como v
IoT: Frambuesa Pi Robot con control remoto de cámara Video Streamer y Pan/Tilt Internet

IoT: Frambuesa Pi Robot con control remoto de cámara Video Streamer y Pan/Tilt Internet

(Si te gusta este Instructable, no olvide votarlo - arriba: bandera de la esquina a la derecha. Compite en concursos de automatización y de INTERNET de las cosas. ¡Muchas gracias! ;-)Esta es una segunda parte de mi Intructable anterior: IoT - control
DIY Pan & Tilt cámara de seguridad

DIY Pan & Tilt cámara de seguridad

recientemente hice mi propia versión de una cámara de seguridad domo pan & tilt para el frente de nuestra casa. Está montado en el techo de nuestro porche delantero y suben los cables de la batería a través de nuestra ventana del dormitorio.de todos
Time-lapse Pan & Tilt Robot

Time-lapse Pan & Tilt Robot

¡ Hola todos! Estoy con algunos más robótica de Lego. Este Robot de Lego Mindstorms puede automáticamente pan y tilt de un iPhone en incrementos muy pequeños para capturar increíbles lapsos. Tengo la idea para esto después de ver otros robots Time-la
3D impreso básico Pan & Tilt sistemas...

3D impreso básico Pan & Tilt sistemas...

Hola, he llegado a encontrar yo puedo diseñar y construir un montón de mis propias piezas robot n piezas y una pieza muy común es el soporte básico de Pan & TiltPor supuesto tuve que ampliar sobre la base de Pan & Tilt demasiado... esto es para po