OV7670 sin framecapture muy simple FIFO con Arduino, negro (2 / 7 paso)

Paso 2: Conexión de las piezas

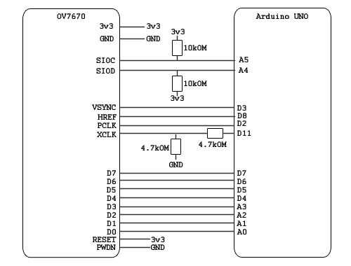
El OV7670 no es clasificada para tensiones superiores a 3.0v. Por lo tanto, el divisor de tensión para el XCLK. Además que el OV7670 no proporciona voltajes más altos que la 3.0 que es un poco baja para asegurarse el arduino leen la entrada tan alto (comienza a 3.0v). Por lo tanto nos conectamos resistencias pull-up.

Artículos Relacionados

Sin hilos controlar un Robot con Arduino y módulos RF!

Sin hilos controlar un Robot con Arduino y módulos RF!

/*Edición 05/05/2016Hola chicos, he estado ocupado con la Universidad y no podía responder a comenta. La mayoría de ustedes quería el código y esquemas, hechas un poco mejor por lo que he hecho los esquemas en Eagle 7.2.0 y subido todo en Github.Aquí
Muy simple PWM con 555... modular cada cosa

Muy simple PWM con 555... modular cada cosa

Nota: alguno me puede pedir ayuda. No me comentáis en mi ortografía y gramática... Porque mi lengua materna no es inglés. OK VAMOSy también por favor califique mi instructable bienHola cada uno. Hoy te voy a mostrar cómo hacer un PWM (modulación de a
Simple termostato con Arduino

Simple termostato con Arduino

El objetivo de este proyecto es crear un termostato que mide la temperatura de una bombilla durante el uso de dos temperaturas umbral (tL siendo una variable de umbral bajo y tH es una variable de alto umbral), que hará que la bombilla fluctuar entre
4 proyecto de simple Servo con Arduino

4 proyecto de simple Servo con Arduino

Lo que usted necesita1. Arduino o clon de Arduino2. 9 gram Servo3. sobre los cables de macho a macho de 12-204. 2 pote (potenciómetros)5. las bibliotecas de VarSpeedServo.h y servo.h.6. Si desea puede hacer un escudo de servo para hacerlo un poco más
MUY simple relé y ARDUINO proyecto

MUY simple relé y ARDUINO proyecto

LO QUE USTED NECESITA:1) UN MÓDULO REALMENTE (IM USANDO KEYES)2) 9 VOLTIOS BATERÍA3) CONECTOR DE LA BATERÍA 9 VOLTIOS4) PUENTE 2 CABLES Y CABLES5) UNA LÁMPARA DE 9 VOLTIOSPaso 1: conexión HAGA CLIC EN LA IMAGEN DE FONDO BLANCO... THE CODE:  int Relay
La realización de un cardán sin cepillo bricolaje con Arduino

La realización de un cardán sin cepillo bricolaje con Arduino

Esta es una historia de mi tercer proyecto con gyro barato y Arduino.Después de los anteriores dos proyectos, Péndulo invertido fácil y caligrafía 3D, he pensado de hacer Cámara de cardán con Arduino. Luego tenía las tres políticas para el proyecto.E
Radio manía de AtoZ de RC + DIY con ARDUINO

Radio manía de AtoZ de RC + DIY con ARDUINO

Wikipedia define vehículo RC comoUn vehículo de control remoto es cualquier vehículo que es controlado remotamente por un medio que no restringe su movimiento con un origen externo al dispositivo. A menudo se trata de un dispositivo de control de rad
IR Control remoto para tu ordenador con arduino

IR Control remoto para tu ordenador con arduino

Con este receptor, controlar el ordenador remotamente gracias al módulo IR y Arduino.Modo de Lazzy activado ^^Paso 1: En primer lugar debo desmontar receptor de IR de Sony VAIO myold.Receptor IR que viene de mi padre, totalmente inservible porque pro
Árbol de Navidad con LED y música, controlado con Arduino

Árbol de Navidad con LED y música, controlado con Arduino

en esta temporada festiva, casi todo el mundo ha hecho su árbol de Navidad en su hogar, pequeña o grande. En este post, veremos cómo crear un árbol de Navidad con unos €, utilizando Arduino. A través de este microcontrolador podrá elegir entre varios
Hacer un robot simple de RF inalámbrico con Arduino!

Hacer un robot simple de RF inalámbrico con Arduino!

ACTUALIZACIÓN: HE AÑADIDO CONTROL DE JOYSTICK A ESTE ROBOT. POR FAVOR CONSULTE EL PASO 7 SI DESEA CONTROLAR EL ROBOT POR MEDIO DE JOYSTICK.Hola,Este es mi primer instructivo y en este tutorial voy a mostrarte, cómo construir un simple robot inalámbri
Control simple gráfico de barras de LED con Arduino

Control simple gráfico de barras de LED con Arduino

en este tutorial te mostraré cómo controlar simple 10 matriz de gráfico de barras LED con Arduino o Arduino clon MCU y MAX7219 (también funciona con MAX7221) chip de controlador de LED.Aquí tenemos en vídeo de producto terminado en acciónSobre matric
Sin escobillas cardán con Arduino

Sin escobillas cardán con Arduino

Este es un proyecto de electrónica primavera 2014 en Pomona College, creado por Andreas Biekert y Jonás Grubb. Gracias profesor Dwight Whitaker, Tony Grigsby y el Departamento de física de Pomona.Nuestro objetivo con este proyecto era crear un cardán
Muy Simple Arduino cerradura eléctrica

Muy Simple Arduino cerradura eléctrica

este es un instructivo para un Arduino muy simple controlado por cerradura eléctrica.La idea clave aquí es ser muy simple como esto era más una prueba de tipo de prototipo de concepto de cosa.El Arduino se utiliza como un interruptor para controlar l
Brazalete de Paracord muy SIMPLE con el nudo de pescador doble

Brazalete de Paracord muy SIMPLE con el nudo de pescador doble

aquí es una pulsera muy simple usted puede atar. No requiere de cualquier tejido, a sólo un doble nudo pescador. También contiene cerca de 5 pies de cable, pero probablemente podría utilizar más.Por favor vota por mí en la Concurso de Paracord!Paso 1