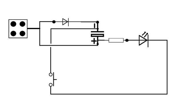
Otra luz recargable

esto es un circuito que incorpora un condensador, resitor, diodo y un blanco brillante led y utiliza un motor de Lego y un conector para cargar el condensador de 1 F.
Etiquetas: LED, Lego, Recargable, Condensador

Artículos Relacionados

Barato luz recargables

Barato luz recargables

compré un NEBO #5550 HIGHBEAM luz recargable que utiliza un enchufe de encendedor de coche para recargar por sólo $10.Me pareció muy práctico de llevar, y pensamiento sería una cabeza de gran bicicleta luz si pudiera averiguar cómo hacer que se perma
FRENTE caza luz (recargable)

FRENTE caza luz (recargable)

Hi Instructables, en mi primer proyecto Instructable era diseñar un brillante alta caza cabeza de luz utilizando residuos luz de antorcha con 4v batería recargable. Los gastos de luz de cabeza delantera originales $6-$7, pero estas luces cuesta menos
MI luz recargable

MI luz recargable

SOY CHICO SIMPLE DE CLASE 7 THPaso 1: Luz recargableSU FÁCIL DE HACER COMO UNA LUZ DE RECHAARGABLE SIMPLE. GRACIAS
Sin embargo la otra luz del usb.

Sin embargo la otra luz del usb.

Hay chorrocientos usb lámparas. Esto es solo el que hizo. Una característica que me aseguré de agregar al mio fue la habilidad de usar las baterías regulares cuando un equipo no estaba disponible.Aviso: soldadura, habilidades mecánicas y un poco de c
Repisa de ventana fácil para los gatos y otra luz se utiliza como un jardín.

Repisa de ventana fácil para los gatos y otra luz se utiliza como un jardín.

Tengo dos gatos. Hay exactamente una ventana en la planta baja que está orientada al sur. Lo hace irresistible para ellos, y también es el lugar donde quiero que mi mesa de la cocina. Aquí está mi solución, una plataforma que cuelga de la cornisa de
Mi luz recargable fácil de hacer

Mi luz recargable fácil de hacer

cosas que usted necesitabateríacables de1Mobile jackresistencia 21diode
LUZ de emergencia tubo LED recargable

LUZ de emergencia tubo LED recargable

LUZ DE EMERGENCIA TUBO LED RECARGABLEHoy te doy mi diy led emergencia tubo luz recargableVer este sitio web después de hacer esta luz por lo que menciono sólo finales imágenesPero mencioné todos los requisitos y montaje y conexión con los esquemaResp
Hacer un recargable luz de inundación Pocket [lata Altoids]

Hacer un recargable luz de inundación Pocket [lata Altoids]

en este poder instruir le mostraré cómo hacer una luz recargable del bolsillo LED inundación, lo que se necesita, lata altoids, batería de litio 12 voltios con cargador, panel de luz led 24, 1 macho 12v. conector tubo del encogimiento del calor, sili
Casco montado en la luz de la bicicleta en el rápido y barato!

Casco montado en la luz de la bicicleta en el rápido y barato!

Este es un rápido y fácil.Delantera bicicleta ligera para el casco, va donde usted vaya y brilla donde te miras! No más múltiples manillar monta en diferentes bicicletas, soportes de manillar, engorrosas baterías externas, etc..Después de romper vari
Solar powered luz de bicicleta trasera vintage

Solar powered luz de bicicleta trasera vintage

tengo una vieja bicicleta y me gusta mucho su diseño clásico.Cuando compré [de un extraño viejo Man.] estaba equipado con luces delanteras y bulbo posterior, accionadas por una dinamo.Como quizás ya sabéis, esto no es la mejor solución para iluminar
Hacer girar la luz el árbol de Navidad con LEDs y juguete Motor

Hacer girar la luz el árbol de Navidad con LEDs y juguete Motor

Awsome DIY arbolito con mini luces led y motor del juguete dc su fácil DIY y buen regalo para Navidad, usted puede hacer cualquier color de su elección eligiendo diverso color led luces, para hacer sólo requiere 3v batería de la moneda y batería de 9
Luz de la bici de corte por láser

Luz de la bici de corte por láser

estas son instrucciones sobre cómo hacer que la luz de bici DIY LED personalizada que hice cuando era un estudiante de arte. Mientras que las compras para una nueva luz de cola de moto, no pude encontrar un solo diseño fresco para mi crucero de la pl
Luz de noche electrónica

Luz de noche electrónica

esta luz de noche ofrece un cálido resplandor suave después del anochecer y es batería accionada, por lo que se pueden colocar en cualquier habitación, oscura escalera, pasillo - o incluso llevada con usted si usted despierta en la noche y tiene que
Luz de Lava de cráneo procedente de antigua linterna

Luz de Lava de cráneo procedente de antigua linterna

Mi familia y me encanta lámparas de Lava! Cuando vemos a una venta de garaje o tienda de segunda mano lo conseguir. Siempre he querido hacer mi propio pero nunca conseguido alrededor a él. El otro día que estaba mirando esta botella de vodka vacía qu